mein_gartenshop24_de Logo
Unsere Seite verwendet Cookies und ähnliche Technologien, um die Benutzererfahrung auf unserer Website zu verbessern, Inhalte und Anzeigen zu personalisieren und die Nutzung unserer Website zu analysieren. Mit Ihrer Einwilligung stimmen Sie der Verwendung von Cookies sowie der Verarbeitung Ihrer persönlichen Daten zu, um Ihnen ein bestmögliches Surferlebnis und mehr Funktionen zu bieten.

Sie können Ihre Einwilligung jederzeit in den Cookie-Einstellungen anpassen oder widerrufen.
Experten-Beratung Lassen Sie sich von unseren Experten über das Kontaktformular beraten.
Artikelnummer: 4363415
Hier können Sie unsere qualifizierten Fachberater zur Planung Ihrer Bestellung kontaktieren.
Zum Kontaktformular
Hier erhalten Sie allgemeine Informationen zum Bestellprozess, der Lieferung, der Zahlung und mehr.
Zum FAQ
Hier können Sie Feedback zu dieser Seite abgeben oder unerwartete Inhalte und Auffälligkeiten melden.

Husqvarna Rider RIDER 155 US, 953533805, 2006-01

Husqvarna Rider RIDER 155 US, 953533805, 2006-01

Nicht lieferbar
Dieser Artikel ist leider nicht mehr zu bestellen. Wir empfehlen Ihnen eine alternative Artikelwahl aus dieser Kategorie. Wir wünschen Ihnen viel Spaß beim Stöbern.
Andere Produkte der Kategorie Gartengeräte
Artikel-Nr.: 4363415
  • Deutschlands bester Händler
  • Trusted Shops Käuferschutz
  • Rechnungskauf
  • Montageservice

Husqvarna Logo

Husqvarna

Der schwedische Hersteller Husqvarna bietet Ihnen Motorgeräte für die Forst-, Garten- sowie Landschaftspflege. Bereits 1689 begann die Unternehmensgeschichte, damals noch mit der Herstellung von Musketen. Somit profitiert das Unternehmen von mehr als 325 Jahre langer Erfahrung – und somit auch seine Kunden.

Die Zufriedenheit der Kunden ist dem international bekannten Unternehmen besonders wichtig. Daher arbeitet Husqvarna eng mit dem Anwender zusammen, auch nach dem Kauf steht das Unternehmen seinen Käufern mit Rat und Tat zur Seite. Sie können sich bei den Husqvarna Produkten daher auf eine kompromisslose Qualität, Benutzerfreundlichkeit sowie Spitzenleistung verlassen.
 

Garantie

Als unser Kunde genießen Sie auch nach dem Kauf Ihres Husqvarna-Produkts zahlreiche Vorteile! Im Garantiefall sind wir Ihr erster Ansprechpartner und werden Ihnen gerne weiterhelfen. Wir verfügen über eine eigene Hersteller-Werkstatt, sind qualifiziert und berechtigt, im Garantiefall alle nötigen Reparaturen an Ihrem Husqvarna-Gerät durchzuführen.

Das bedeutet für Sie: Sie können sich jederzeit an uns wenden, als Ihr Händler bei dem Sie die Ware gekauft haben sind wir stets die erste Adresse. Selbstverständlich steht es Ihnen jedoch frei, sich an jeden anderen autorisierten Husqvarna-Händler zu wenden.

Gegen Vorlegen Ihres Kaufbeleges (inklusive ausgefüllter Garantiekarte) aus unserem Shop können Sie wohnortnah - in ganz Europa, in der Schweiz und in Großbritannien - Ihr registriertes Produkt zur Garantieüberprüfung vorlegen. Der lokale Husqvarna Servicehändler wird im Garantiefall defekte Teile ausschließlich durch original Husqvarna-Ersatzteile und Zubehör ersetzen. 

 

Husqvarna Händler mit Onlineshop 

Ausschließlich autorisierte, qualifizierte Händler dürfen Husqvarna Produkte verkaufen. So erhalten Sie als Kunde fachgerechte Auskunft zu Ihren Fragen. Wir sind ein autorisierter Husqvarna Fachhändler mit eigener Werkstatt. Vor jeder Auslieferung werden die Geräte entsprechend der Herstellervorgaben geprüft.

 

Stationärer Handel:
Kömpf Baumarkt GmbH
Leibnizstr. 2
75365 Calw

 

Husqvarna Geräte

Husqvarna AB
Regeringsgatan 28
11153 Stockholm
Schweden
verkauf@husqvarna.de
Verantwortliche Person:
Husqvarna Deutschland GmbH
Hans-Lorenser-Strasse 40
89079 Ulm
Deutschland
verkauf@husqvarna.de

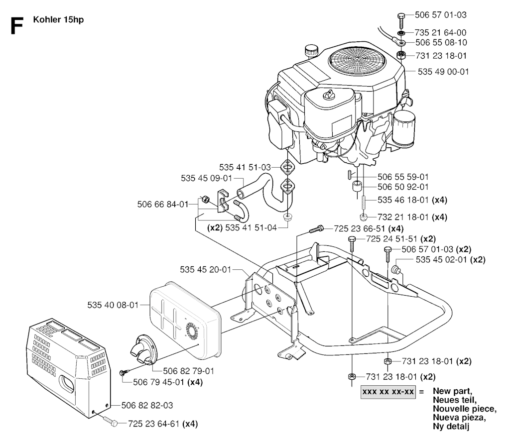
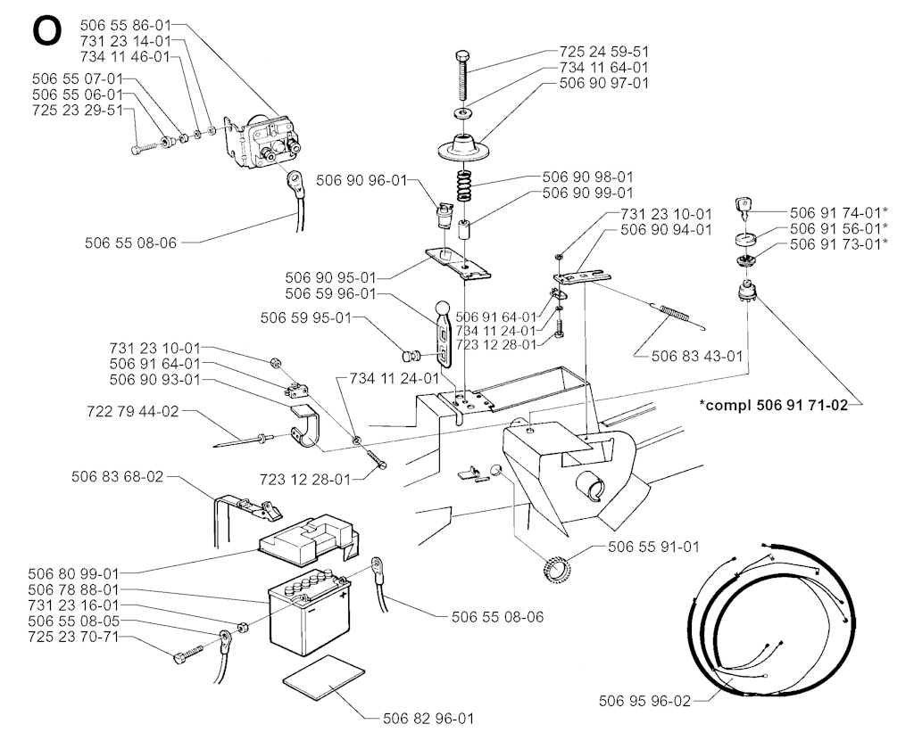
278 von insgesamt 278 eingezeichneten Ersatzteilen in Explosionszeichnung Nr. 1

506 50 48-03
Husqvarna 506 50 48-03 - Scheibe B
2x
3,13 €
506 50 48-05
Husqvarna 506 50 48-05 - Scheibe A
2x
2,37 €
506 50 48-05
Husqvarna 506 50 48-05 - Scheibe A
1x
2,37 €
506 50 92-01
Husqvarna 506 50 92-01 - ABSTANDSHÜLSE
1x
8,93 €
506 51 95-01
Husqvarna 506 51 95-01 - SPÄNNARM KPL.
1x
71,57 €
506 52 24-01
Husqvarna 506 52 24-01 - SEILROLLE
2x
9,19 €
506 53 27-01
Husqvarna 506 53 27-01 - RIEMENSCHEIBE
1x
54,88 €
506 53 27-01
Husqvarna 506 53 27-01 - RIEMENSCHEIBE
1x
54,88 €
506 53 31-01
Husqvarna 506 53 31-01 - FEDER
1x
9,39 €
506 53 35-01
Husqvarna 506 53 35-01 - FLACHKEIL
1x
3,87 €
506 53 56-03
Husqvarna 506 53 56-03 - ZUGFEDER
1x
4,53 €
506 53 56-03
Husqvarna 506 53 56-03 - ZUGFEDER
1x
4,53 €
506 55 08-10
Husqvarna 506 55 08-10 - ERDKABEL
1x
19,37 €
506 55 08-10
Husqvarna 506 55 08-10 - ERDKABEL
1x
19,37 €
506 55 08-10
Husqvarna 506 55 08-10 - ERDKABEL
1x
19,37 €
506 55 36-01
Husqvarna 506 55 36-01 - Knopf
1x
4,63 €
506 55 46-01
Husqvarna 506 55 46-01 - KETTE
1x
19,67 €
506 55 47-01
Husqvarna 506 55 47-01 - GELENK
2x
4,62 €
506 55 47-01
Husqvarna 506 55 47-01 - GELENK
1x
4,62 €
506 55 59-01
Husqvarna 506 55 59-01 - KEIL
1x
4,19 €
506 55 60-02
Husqvarna 506 55 60-02 - SCREW UNC
1x
5,69 €
506 55 63-01
Husqvarna 506 55 63-01 - SCREW UNC
2x
2,77 €
506 55 65-01
Husqvarna 506 55 65-01 - LAGER
1x
5,44 €
506 55 73-01
Husqvarna 506 55 73-01 - VINKELL.AS8 DIN71802
1x
7,43 €
506 55 83-02
Husqvarna 506 55 83-02 - SCHRAUBE
1x
2,44 €
506 55 83-02
Husqvarna 506 55 83-02 - SCHRAUBE
1x
2,44 €
506 56 25-01
Husqvarna 506 56 25-01 - KAPPE
1x
7,90 €
506 56 53-01
Husqvarna 506 56 53-01 - BUSHING
2x
5,46 €
506 56 65-01
Husqvarna 506 56 65-01 - KLAMMER
1x
4,90 €
506 56 65-01
Husqvarna 506 56 65-01 - KLAMMER
1x
4,90 €
506 57 01-03
Husqvarna 506 57 01-03 - SCHRAUBE
1x
3,34 €
506 57 01-03
Husqvarna 506 57 01-03 - SCHRAUBE
2x
3,34 €
506 57 01-04
Husqvarna 506 57 01-04 - SCHRAUBE
1x
3,81 €
506 57 01-04
Husqvarna 506 57 01-04 - SCHRAUBE
4x
3,81 €
506 57 43-01
Husqvarna 506 57 43-01 - Ventil
1x
4,99 €
506 59 20-01
Husqvarna 506 59 20-01 - LENKRAD
1x
78,19 €
506 59 62-03
Husqvarna 506 59 62-03 - Abstandshülse B
2x
9,91 €
506 59 74-01
Husqvarna 506 59 74-01 - SCHRAUBE
2x
4,83 €
506 59 74-01
Husqvarna 506 59 74-01 - SCHRAUBE
1x
4,83 €
506 59 74-01
Husqvarna 506 59 74-01 - SCHRAUBE
2x
4,83 €
506 59 74-01
Husqvarna 506 59 74-01 - SCHRAUBE
4x
4,83 €
506 59 75-01
Husqvarna 506 59 75-01 - SCHEIBE
1x
7,13 €
506 59 75-01
Husqvarna 506 59 75-01 - SCHEIBE
1x
7,13 €
506 59 93-01
Husqvarna 506 59 93-01 - GELENK
1x
3,77 €
506 66 56-01
Husqvarna 506 66 56-01 - FEDER
1x
11,38 €
506 66 88-01
Husqvarna 506 66 88-01 - SPRING COTTER
1x
2,44 €
506 67 08-01
Husqvarna 506 67 08-01 - GELENK
1x
7,51 €
506 67 19-01
Husqvarna 506 67 19-01 - FEDER
1x
26,19 €
506 67 33-01
Husqvarna 506 67 33-01 - TANKDECKEL KPL.
1x
37,09 €
506 67 62-01
Husqvarna 506 67 62-01 - AUFKLEBER
1x
2,89 €
506 76 96-01
Husqvarna 506 76 96-01 - BENZINTANK
1x
64,90 €
506 77 34-01
Husqvarna 506 77 34-01 - SCHEIBE
1x
2,78 €
506 77 86-01
Husqvarna 506 77 86-01 - RIEMENSCHEIBE
1x
77,66 €
506 78 97-01
Husqvarna 506 78 97-01 - AUFKLEBER
1x
4,39 €
506 79 17-01
Husqvarna 506 79 17-01 - GRIFF
1x
8,97 €
506 81 38-01
Husqvarna 506 81 38-01 - REINFORCING PLATE
3x
4,65 €
506 82 82-03
Husqvarna 506 82 82-03 - SCHUTZ
1x
98,76 €
506 83 43-01
Husqvarna 506 83 43-01 - FEDER
1x
2,98 €
506 83 68-02
Husqvarna 506 83 68-02 - RIEMEN
1x
4,90 €
506 83 68-02
Husqvarna 506 83 68-02 - RIEMEN
1x
4,90 €
506 83 76-01
Husqvarna 506 83 76-01 - FEDER
2x
28,31 €
506 83 77-01
Husqvarna 506 83 77-01 - RING BOLT
2x
8,63 €
506 83 94-01
Husqvarna 506 83 94-01 - FEDERSCHEIBE
2x
2,19 €
506 86 34-01
Husqvarna 506 86 34-01 - BEDIENER
2x
9,81 €
506 86 96-01
Husqvarna 506 86 96-01 - LAGER
8x
5,74 €
506 88 07-02
Husqvarna 506 88 07-02 - AUFKLEBER
1x
12,56 €
506 88 78-01
Husqvarna 506 88 78-01 - ABSTANDSSCHEIBE
1x
5,96 €
506 88 99-01
Husqvarna 506 88 99-01 - HAKEN
1x
15,05 €
506 89 58-01
Husqvarna 506 89 58-01 - COLLAR SCREW
2x
6,82 €
506 89 76-01
Husqvarna 506 89 76-01 - MUTTER
1x
2,44 €
506 90 56-01
Husqvarna 506 90 56-01 - RAD
1x
21,94 €
506 90 82-01
Husqvarna 506 90 82-01 - HEIGHT ROD
1x
10,72 €
506 90 93-01
Husqvarna 506 90 93-01 - BLATTFEDER
1x
4,09 €
506 90 93-01
Husqvarna 506 90 93-01 - BLATTFEDER
1x
4,09 €
506 90 96-01
Husqvarna 506 90 96-01 - SCHALTER
1x
14,98 €
506 90 96-01
Husqvarna 506 90 96-01 - SCHALTER
1x
14,98 €
506 90 97-01
Husqvarna 506 90 97-01 - FEDERSCHEIBE
1x
11,27 €
506 90 97-01
Husqvarna 506 90 97-01 - FEDERSCHEIBE
1x
11,27 €
506 91 34-01
Husqvarna 506 91 34-01 - NETZ
1x
16,70 €
506 91 37-01
Husqvarna 506 91 37-01 - ABDECKUNG
1x
42,79 €
506 91 38-01
Husqvarna 506 91 38-01 - ABDECKUNG
1x
51,07 €
506 91 53-01
Husqvarna 506 91 53-01 - DRUCKFEDER
1x
19,73 €
506 91 62-01
Husqvarna 506 91 62-01 - MUTTER
3x
5,26 €
506 92 21-01
Husqvarna 506 92 21-01 - RIEMENSCHEIBE
3x
34,57 €
506 94 63-01
Husqvarna 506 94 63-01 - BREMSFEDER
1x
7,81 €
506 94 67-06
Husqvarna 506 94 67-06 - Schlauch
1x
15,18 €
506 94 69-01
Husqvarna 506 94 69-01 - RIEMENSCHEIBE
1x
35,32 €
506 94 92-01
Husqvarna 506 94 92-01 - AUFKLEBER
1x
31,38 €
506 95 17-01
Husqvarna 506 95 17-01 - GELENKKOPF
1x
14,89 €
506 96 30-01
Husqvarna 506 96 30-01 - RAD KPL.
2x
74,95 €
506 96 66-01
Husqvarna 506 96 66-01 - HAIR PIN COTTER
1x
4,90 €
506 96 66-01
Husqvarna 506 96 66-01 - HAIR PIN COTTER
1x
4,90 €
506 96 95-01
Husqvarna 506 96 95-01 - DECKEL
1x
16,78 €
506 97 48-01
Husqvarna 506 97 48-01 - RIEMENSCHEIBE
1x
53,63 €
506 97 68-01
Husqvarna 506 97 68-01 - FEDER
1x
12,33 €
506 98 39-01
Husqvarna 506 98 39-01 - Aufkleber
1x
4,90 €
506 98 59-01
Husqvarna 506 98 59-01 - ACHSE
1x
48,92 €
506 98 61-02
Husqvarna 506 98 61-02 - GLIDLAGER
1x
12,33 €
506 98 65-01
Husqvarna 506 98 65-01 - FEDERSCHEIBE
1x
4,77 €
506 98 66-01
Husqvarna 506 98 66-01 - ABSTAND
1x
8,56 €
506 98 68-01
Husqvarna 506 98 68-01 - LÜFTER
1x
42,03 €
506 98 70-01
Husqvarna 506 98 70-01 - SCHLAUCHSCHELLE
1x
6,38 €
506 98 75-01
Husqvarna 506 98 75-01 - GESTÄNGE
1x
10,88 €
506 98 77-01
Husqvarna 506 98 77-01 - HALTER
1x
8,70 €
506 98 82-01
Husqvarna 506 98 82-01 - FRIKOPPLINGSSTÅNG
1x
9,88 €
506 98 84-01
Husqvarna 506 98 84-01 - RIEMENSPANNER KPL.
1x
75,90 €
506 98 88-01
Husqvarna 506 98 88-01 - PENDULUM
1x
5,55 €
506 98 90-01
Husqvarna 506 98 90-01 - EXPANSIONSBEHÄLTER
1x
36,87 €
506 99 27-01
Husqvarna 506 99 27-01 - BREMSLEITUNG
1x
44,51 €
535 40 28-17
Husqvarna 535 40 28-17 - HEBEL
1x
15,05 €
535 40 28-32
Husqvarna 535 40 28-32 - STOPFEN
1x
13,55 €
535 40 28-33
Husqvarna 535 40 28-33 - PIN RETAINING SCREW
1x
3,20 €
535 40 28-37
Husqvarna 535 40 28-37 - DICHTUNG
1x
32,36 €
535 40 28-38
Husqvarna 535 40 28-38 - HEBEL
1x
16,10 €
535 40 28-39
Husqvarna 535 40 28-39 - RETURN SPRING
1x
13,35 €
535 40 28-40
Husqvarna 535 40 28-40 - PIN RETAINING SCREW
1x
4,01 €
535 40 28-41
Husqvarna 535 40 28-41 - PIN RETAINING SCREW
1x
3,30 €
535 40 60-01
Husqvarna 535 40 60-01 - BEFESTIGUNG
1x
317,69 €
535 41 51-03
Husqvarna 535 41 51-03 - DICHTUNG
1x
6,64 €
535 41 51-04
Husqvarna 535 41 51-04 - MUTTER
2x
2,30 €
535 42 30-01
Husqvarna 535 42 30-01 - BEFESTIGUNG
1x
78,99 €
535 42 38-01
Husqvarna 535 42 38-01 - SCHRAUBE
12x
3,34 €
535 43 74-01
Husqvarna 535 43 74-01 - LABEL WARNING
1x
2,99 €
535 44 11-01
Husqvarna 535 44 11-01 - BATTERY MAT
1x
19,50 €
535 44 11-01
Husqvarna 535 44 11-01 - BATTERY MAT
1x
19,50 €
535 45 00-01
Husqvarna 535 45 00-01 - AUFKLEBER
1x
3,99 €
535 45 02-01
Husqvarna 535 45 02-01 - PFROPFEN
2x
4,90 €
535 45 09-01
Husqvarna 535 45 09-01 - ROHR
1x
45,78 €
535 45 20-01
Husqvarna 535 45 20-01 - FANGBUEGEL
1x
228,88 €
535 45 33-01
Husqvarna 535 45 33-01 - Deckel
1x
24,32 €
535 45 35-01
Husqvarna 535 45 35-01 - ADAPTER
1x
34,47 €
535 45 35-01
Husqvarna 535 45 35-01 - ADAPTER
1x
34,47 €
535 45 42-01
Husqvarna 535 45 42-01 - Aufkleber
1x
4,90 €
535 45 42-02
Husqvarna 535 45 42-02 - Aufkleber
1x
4,90 €
535 46 00-01
Husqvarna 535 46 00-01 - Reifen
1x
57,44 €
535 46 03-02
Husqvarna 535 46 03-02 - LEITBLECH
1x
25,80 €
535 46 18-01
Husqvarna 535 46 18-01 - GEWINDESTIFT
4x
2,95 €
535 46 36-01
Husqvarna 535 46 36-01 - FANGBUEGEL
1x
284,72 €
535 46 41-01
Husqvarna 535 46 41-01 - SCHEIBE
2x
3,15 €
535 46 60-01
Husqvarna 535 46 60-01 - PLATTE, LINKS
1x
73,80 €
535 46 60-03
Husqvarna 535 46 60-03 - PLATTE RECHTS
1x
71,60 €
535 46 61-01
Husqvarna 535 46 61-01 - TEPPICH
1x
6,52 €
535 46 61-03
Husqvarna 535 46 61-03 - TEPPICH
1x
6,70 €
535 46 87-01
Husqvarna 535 46 87-01 - GESTAENGE
1x
112,59 €
535 46 88-01
Husqvarna 535 46 88-01 - GESTAENGE
1x
139,59 €
535 46 97-01
Husqvarna 535 46 97-01 - HOSE BRACE
1x
4,90 €
535 46 99-01
Husqvarna 535 46 99-01 - BEFESTIGUNG LINKS
1x
21,05 €
535 46 99-02
Husqvarna 535 46 99-02 - BEFESTIGUNG RECHTS
1x
21,05 €
535 47 02-01
Husqvarna 535 47 02-01 - RAHMEN
1x
652,37 €
535 47 08-01
Husqvarna 535 47 08-01 - RADACHSE
2x
45,01 €
535 47 11-01
Husqvarna 535 47 11-01 - Rahmen
1x
342,77 €
535 48 22-01
Husqvarna 535 48 22-01 - RIEMENSCHEIBE
1x
85,64 €
535 48 24-01
Husqvarna 535 48 24-01 - RIEMENSCHEIBE
1x
101,32 €
535 48 44-01
Husqvarna 535 48 44-01 - RIEMENSPANNER KPL.
1x
39,89 €
535 50 42-02
Husqvarna 535 50 42-02 - ADAPTER
3x
16,28 €
544 03 96-02
Husqvarna 544 03 96-02 - GEGENGEWICHT
1x
120,00 €
544 06 80-02
Husqvarna 544 06 80-02 - ABSTANDSHÜLSE
1x
12,27 €
544 09 61-01
Husqvarna 544 09 61-01 - DECKEL
1x
46,33 €
544 11 29-01
Husqvarna 544 11 29-01 - GEHAEUSE
1x
526,94 €
544 11 41-01
Husqvarna 544 11 41-01 - SCHRAUBE
2x
1,32 €
544 12 60-01
Husqvarna 583 95 14-01 - PEDALPLATTE KPL.
1x
135,78 €
594 97 80-01
Husqvarna 594 97 80-01 - Riemen
1x
66,90 €
594 97 80-01
Husqvarna 594 97 80-01 - Riemen
1x
66,90 €
721 61 83-01
Husqvarna 721 61 83-01 - SPANNHÜLSE
1x
0,51 €
721 61 83-01
Husqvarna 721 61 83-01 - SPANNHÜLSE
1x
0,51 €
721 61 83-01
Husqvarna 721 61 83-01 - SPANNHÜLSE
1x
0,51 €
721 61 87-01
Husqvarna 721 61 87-01 - SPANNHÜLSE
1x
4,90 €
721 61 87-01
Husqvarna 721 61 87-01 - SPANNHÜLSE
1x
4,90 €
722 78 39-02
Husqvarna 722 78 39-02 - BLIND RIVET
2x
2,01 €
722 78 39-02
Husqvarna 722 78 39-02 - BLIND RIVET
2x
2,01 €
722 78 39-02
Husqvarna 722 78 39-02 - BLIND RIVET
2x
2,01 €
722 79 54-02
Husqvarna 722 79 54-02 - NIETE
6x
2,01 €
725 23 31-51
Husqvarna 725 23 31-51 - SCHRAUBE
1x
1,32 €
725 23 64-61
Husqvarna 725 23 64-61 - SCHRAUBE
2x
1,70 €
725 23 64-61
Husqvarna 725 23 64-61 - SCHRAUBE
4x
1,70 €
725 23 64-61
Husqvarna 725 23 64-61 - SCHRAUBE
1x
1,70 €
725 23 66-51
Husqvarna 725 23 66-51 - HEXAGONAL SCREW M6X12
4x
4,90 €
725 23 70-71
Husqvarna 725 23 70-71 - SCHRAUBE
2x
4,90 €
725 23 70-71
Husqvarna 725 23 70-71 - SCHRAUBE
2x
4,90 €
725 24 51-71
Husqvarna 725 24 51-71 - SCHRAUBE
4x
3,38 €
725 24 51-71
Husqvarna 725 24 51-71 - SCHRAUBE
1x
3,38 €
725 24 55-51
Husqvarna 725 24 55-51 - SCHRAUBE
1x
2,44 €
725 24 57-51
Husqvarna 725 24 57-51 - SCHRAUBE
1x
4,21 €
725 24 57-51
Husqvarna 725 24 57-51 - SCHRAUBE
1x
4,21 €
725 24 59-51
Husqvarna 725 24 59-51 - SCHRAUBE
1x
4,83 €
725 24 59-51
Husqvarna 725 24 59-51 - SCHRAUBE
1x
4,83 €
725 24 59-51
Husqvarna 725 24 59-51 - SCHRAUBE
1x
4,83 €
725 24 59-61
Husqvarna 725 24 59-61 - SCHRAUBE
2x
4,26 €
725 24 61-51
Husqvarna 725 24 61-51 - SCHRAUBE
1x
4,34 €
725 24 61-51
Husqvarna 725 24 61-51 - SCHRAUBE
4x
4,34 €
725 24 62-51
Husqvarna 725 24 62-51 - SCHRAUBE
1x
4,44 €
725 24 67-51
Husqvarna 725 24 67-51 - SCHRAUBE
1x
4,83 €
725 24 93-71
Husqvarna 725 24 93-71 - SCHRAUBE
1x
4,94 €
725 24 97-51
Husqvarna 725 24 97-51 - SCHRAUBE
1x
4,69 €
725 24 97-51
Husqvarna 725 24 97-51 - SCHRAUBE
1x
4,69 €
725 25 00-51
Husqvarna 725 25 00-51 - SCHRAUBE
2x
4,91 €
725 25 00-51
Husqvarna 725 25 00-51 - SCHRAUBE
2x
4,91 €
725 25 42-51
Husqvarna 725 25 42-51 - Schraube
1x
5,69 €
728 74 55-05
Husqvarna 728 74 55-05 - SCHRAUBE
1x
2,14 €
728 84 43-05
Husqvarna 728 84 43-05 - SCHRAUBE
2x
4,90 €
731 23 14-01
Husqvarna 731 23 14-01 - SECHSKANTMUTTER
1x
1,18 €
731 23 14-01
Husqvarna 731 23 14-01 - SECHSKANTMUTTER
1x
1,18 €
731 23 14-01
Husqvarna 731 23 14-01 - SECHSKANTMUTTER
2x
1,18 €
731 23 14-01
Husqvarna 731 23 14-01 - SECHSKANTMUTTER
2x
1,18 €
731 23 16-01
Husqvarna 731 23 16-01 - SECHSKANTMUTTER
2x
4,90 €
731 23 16-01
Husqvarna 731 23 16-01 - SECHSKANTMUTTER
2x
4,90 €
731 23 18-01
Husqvarna 731 23 18-01 - SECHSKANTMUTTER
1x
2,40 €
731 23 18-01
Husqvarna 731 23 18-01 - SECHSKANTMUTTER
2x
2,40 €
731 23 18-01
Husqvarna 731 23 18-01 - SECHSKANTMUTTER
4x
2,40 €
731 23 18-01
Husqvarna 731 23 18-01 - SECHSKANTMUTTER
1x
2,40 €
731 23 18-01
Husqvarna 731 23 18-01 - SECHSKANTMUTTER
1x
2,40 €
731 23 20-01
Husqvarna 731 23 20-01 - SECHSKANTMUTTER
1x
2,44 €
731 23 20-51
Husqvarna 731 23 20-51 - SECHSKANTMUTTER
4x
2,69 €
731 23 20-51
Husqvarna 731 23 20-51 - SECHSKANTMUTTER
4x
2,69 €
731 23 20-51
Husqvarna 731 23 20-51 - SECHSKANTMUTTER
1x
2,69 €
731 23 20-51
Husqvarna 731 23 20-51 - SECHSKANTMUTTER
4x
2,69 €
731 23 20-51
Husqvarna 731 23 20-51 - SECHSKANTMUTTER
1x
2,69 €
732 21 14-01
Husqvarna 732 21 14-01 - LOCK NUT
1x
4,90 €
732 21 14-01
Husqvarna 732 21 14-01 - LOCK NUT
1x
4,90 €
732 21 14-01
Husqvarna 732 21 14-01 - LOCK NUT
1x
4,90 €
732 21 14-01
Husqvarna 732 21 14-01 - LOCK NUT
1x
4,90 €
732 21 14-01
Husqvarna 732 21 14-01 - LOCK NUT
1x
4,90 €
732 21 14-01
Husqvarna 732 21 14-01 - LOCK NUT
1x
4,90 €
732 21 16-01
Husqvarna 732 21 16-01 - LOCK NUT
1x
1,19 €
732 21 16-01
Husqvarna 732 21 16-01 - LOCK NUT
2x
1,19 €
732 21 16-01
Husqvarna 732 21 16-01 - LOCK NUT
4x
1,19 €
732 21 18-01
Husqvarna 732 21 18-01 - LOCK NUT
4x
1,88 €
732 21 18-01
Husqvarna 732 21 18-01 - LOCK NUT
4x
1,88 €
732 21 18-01
Husqvarna 732 21 18-01 - LOCK NUT
1x
1,88 €
732 21 18-01
Husqvarna 732 21 18-01 - LOCK NUT
1x
1,88 €
732 21 18-01
Husqvarna 732 21 18-01 - LOCK NUT
1x
1,88 €
732 21 18-01
Husqvarna 732 21 18-01 - LOCK NUT
4x
1,88 €
732 21 18-01
Husqvarna 732 21 18-01 - LOCK NUT
12x
1,88 €
732 21 20-51
Husqvarna 732 21 20-51 - MUTTER
1x
3,55 €
732 21 20-51
Husqvarna 732 21 20-51 - MUTTER
1x
3,55 €
732 21 20-51
Husqvarna 732 21 20-51 - MUTTER
1x
3,55 €
732 25 22-01
Husqvarna 732 25 22-01 - SICHERUNGSMUTTER
1x
4,53 €
732 25 22-01
Husqvarna 732 25 22-01 - SICHERUNGSMUTTER
2x
4,53 €
734 11 46-01
Husqvarna 734 11 46-01 - SCHEIBE
1x
4,90 €
734 11 46-01
Husqvarna 734 11 46-01 - SCHEIBE
3x
4,90 €
734 11 46-01
Husqvarna 734 11 46-01 - SCHEIBE
3x
4,90 €
734 11 54-41
Husqvarna 734 11 54-41 - SCHEIBE
2x
1,74 €
734 11 64-01
Husqvarna 734 11 64-01 - SCHEIBE
2x
4,90 €
734 11 64-01
Husqvarna 734 11 64-01 - SCHEIBE
4x
4,90 €
734 11 64-01
Husqvarna 734 11 64-01 - SCHEIBE
1x
4,90 €
734 11 64-01
Husqvarna 734 11 64-01 - SCHEIBE
1x
4,90 €
734 11 64-01
Husqvarna 734 11 64-01 - SCHEIBE
1x
4,90 €
734 11 64-01
Husqvarna 734 11 64-01 - SCHEIBE
2x
4,90 €
734 11 64-41
Husqvarna 734 11 64-41 - SCHEIBE
2x
2,57 €
734 11 64-41
Husqvarna 734 11 64-41 - SCHEIBE
1x
2,57 €
734 11 64-41
Husqvarna 734 11 64-41 - SCHEIBE
1x
2,57 €
734 11 64-41
Husqvarna 734 11 64-41 - SCHEIBE
1x
2,57 €
734 11 64-41
Husqvarna 734 11 64-41 - SCHEIBE
1x
2,57 €
734 11 72-01
Husqvarna 734 11 72-01 - Scheibe 3/8
2x
1,86 €
734 11 74-41
Husqvarna 734 11 74-41 - SCHEIBE
1x
3,56 €
734 11 74-41
Husqvarna 734 11 74-41 - SCHEIBE
1x
3,56 €
734 11 74-41
Husqvarna 734 11 74-41 - SCHEIBE
1x
3,56 €
734 11 77-71
Husqvarna 734 11 77-71 - SCHEIBE
2x
1,74 €
735 21 64-00
Husqvarna 735 21 64-00 - SICHERUNGSSCHEIBE
1x
2,27 €
735 31 09-20
Husqvarna 735 31 09-20 - FEDERRING
1x
0,52 €
735 31 12-00
Husqvarna 735 31 12-00 - SPERRING
1x
4,90 €
735 31 14-20
Husqvarna 735 31 14-20 - FEDERRING
1x
0,52 €
735 31 15-00
Husqvarna 735 31 15-00 - SICHERUNGSRING
1x
4,90 €
735 31 15-20
Husqvarna 735 31 15-20 - FEDERRING
1x
4,90 €
735 31 15-20
Husqvarna 735 31 15-20 - FEDERRING
2x
4,90 €
735 31 17-00
Husqvarna 735 31 17-00 - SICHERUNGSRING
2x
4,90 €
735 31 18-20
Husqvarna 735 31 18-20 - FEDERRING
1x
4,90 €
735 31 26-00
Husqvarna 735 31 26-00 - SICHERUNGSRING
1x
0,57 €
735 31 38-10
Husqvarna 735 31 38-10 - SICHERUNGSRING
2x
4,90 €
735 31 40-10
Husqvarna 735 31 40-10 - SICHERUNGSRING
1x
3,92 €
735 31 40-10
Husqvarna 735 31 40-10 - SICHERUNGSRING
1x
3,92 €
738 21 02-04
Husqvarna 738 21 02-04 - KUGELLAGER
1x
6,30 €
738 21 04-04
Husqvarna 738 21 04-04 - KUGELLAGER
1x
7,74 €
738 21 04-04
Husqvarna 738 21 04-04 - KUGELLAGER
2x
7,74 €
738 21 05-04
Husqvarna 738 21 05-04 - KUGELLAGER
1x
7,98 €
738 21 10-04
Husqvarna 738 21 10-04 - KUGELLAGER
1x
7,98 €
738 23 04-34
Husqvarna 738 23 04-34 - KUGELLAGER
1x
8,84 €
740 68 14-21
Husqvarna 740 68 14-21 - V-RING
1x
4,00 €

Produktbewertungen unserer Kunden
Unsere Bewertungen sind zu 100% echt.
Bewertungen von Kunden, die ihre Ware nicht bei uns gekauft haben, werden entsprechend gekennzeichnet.
Bewertungen mit diesem Symbol stammen von verifizierten Käufern!
Zu diesem Produkt gibt es noch keine Kundenbewertungen.
Sie können die erste Person sein, die zu diesem Produkt eine Bewertung schreibt.