mein_gartenshop24_de Logo
Unsere Seite verwendet Cookies und ähnliche Technologien, um die Benutzererfahrung auf unserer Website zu verbessern, Inhalte und Anzeigen zu personalisieren und die Nutzung unserer Website zu analysieren. Mit Ihrer Einwilligung stimmen Sie der Verwendung von Cookies sowie der Verarbeitung Ihrer persönlichen Daten zu, um Ihnen ein bestmögliches Surferlebnis und mehr Funktionen zu bieten.

Sie können Ihre Einwilligung jederzeit in den Cookie-Einstellungen anpassen oder widerrufen.
Experten-Beratung Lassen Sie sich von unseren Experten über das Kontaktformular beraten.
Artikelnummer: 4347613
Hier können Sie unsere qualifizierten Fachberater zur Planung Ihrer Bestellung kontaktieren.
Zum Kontaktformular
Hier erhalten Sie allgemeine Informationen zum Bestellprozess, der Lieferung, der Zahlung und mehr.
Zum FAQ
Hier können Sie Feedback zu dieser Seite abgeben oder unerwartete Inhalte und Auffälligkeiten melden.

Husqvarna Rider 965192501 PF 21 AWD

Husqvarna Rider 965192501 PF 21 AWD

Nicht lieferbar
Dieser Artikel ist leider nicht mehr zu bestellen. Wir empfehlen Ihnen eine alternative Artikelwahl aus dieser Kategorie. Wir wünschen Ihnen viel Spaß beim Stöbern.
Andere Produkte der Kategorie Gartengeräte
Artikel-Nr.: 4347613
  • Deutschlands bester Händler
  • Trusted Shops Käuferschutz
  • Rechnungskauf
  • Montageservice

Husqvarna Logo

Husqvarna

Der schwedische Hersteller Husqvarna bietet Ihnen Motorgeräte für die Forst-, Garten- sowie Landschaftspflege. Bereits 1689 begann die Unternehmensgeschichte, damals noch mit der Herstellung von Musketen. Somit profitiert das Unternehmen von mehr als 325 Jahre langer Erfahrung – und somit auch seine Kunden.

Die Zufriedenheit der Kunden ist dem international bekannten Unternehmen besonders wichtig. Daher arbeitet Husqvarna eng mit dem Anwender zusammen, auch nach dem Kauf steht das Unternehmen seinen Käufern mit Rat und Tat zur Seite. Sie können sich bei den Husqvarna Produkten daher auf eine kompromisslose Qualität, Benutzerfreundlichkeit sowie Spitzenleistung verlassen.
 

Garantie

Als unser Kunde genießen Sie auch nach dem Kauf Ihres Husqvarna-Produkts zahlreiche Vorteile! Im Garantiefall sind wir Ihr erster Ansprechpartner und werden Ihnen gerne weiterhelfen. Wir verfügen über eine eigene Hersteller-Werkstatt, sind qualifiziert und berechtigt, im Garantiefall alle nötigen Reparaturen an Ihrem Husqvarna-Gerät durchzuführen.

Das bedeutet für Sie: Sie können sich jederzeit an uns wenden, als Ihr Händler bei dem Sie die Ware gekauft haben sind wir stets die erste Adresse. Selbstverständlich steht es Ihnen jedoch frei, sich an jeden anderen autorisierten Husqvarna-Händler zu wenden.

Gegen Vorlegen Ihres Kaufbeleges (inklusive ausgefüllter Garantiekarte) aus unserem Shop können Sie wohnortnah - in ganz Europa, in der Schweiz und in Großbritannien - Ihr registriertes Produkt zur Garantieüberprüfung vorlegen. Der lokale Husqvarna Servicehändler wird im Garantiefall defekte Teile ausschließlich durch original Husqvarna-Ersatzteile und Zubehör ersetzen. 

 

Husqvarna Händler mit Onlineshop 

Ausschließlich autorisierte, qualifizierte Händler dürfen Husqvarna Produkte verkaufen. So erhalten Sie als Kunde fachgerechte Auskunft zu Ihren Fragen. Wir sind ein autorisierter Husqvarna Fachhändler mit eigener Werkstatt. Vor jeder Auslieferung werden die Geräte entsprechend der Herstellervorgaben geprüft.

 

Stationärer Handel:
Kömpf Baumarkt GmbH
Leibnizstr. 2
75365 Calw

 

Husqvarna Geräte

Husqvarna AB
Regeringsgatan 28
11153 Stockholm
Schweden
verkauf@husqvarna.de
Verantwortliche Person:
Husqvarna Deutschland GmbH
Hans-Lorenser-Strasse 40
89079 Ulm
Deutschland
verkauf@husqvarna.de

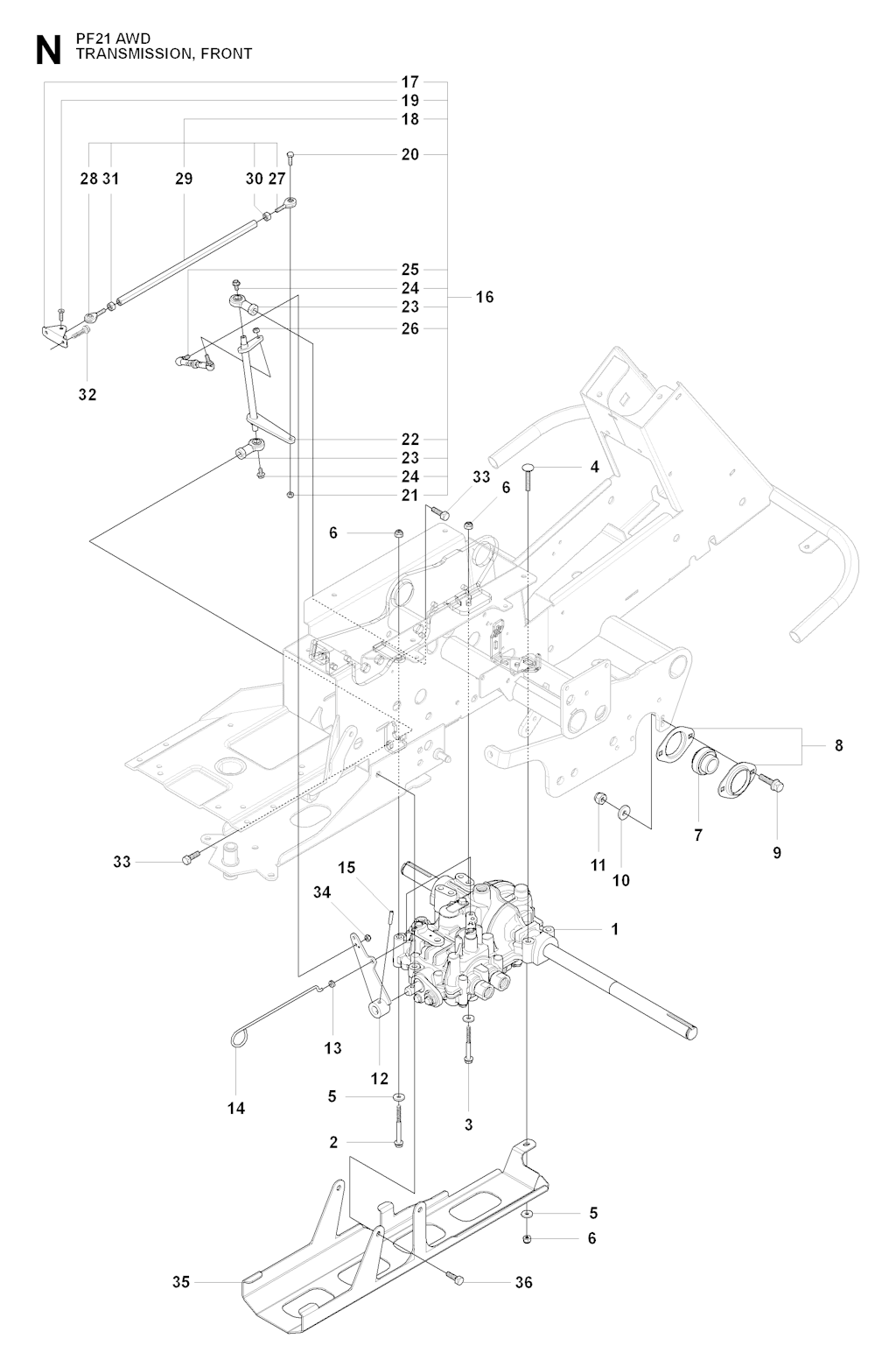
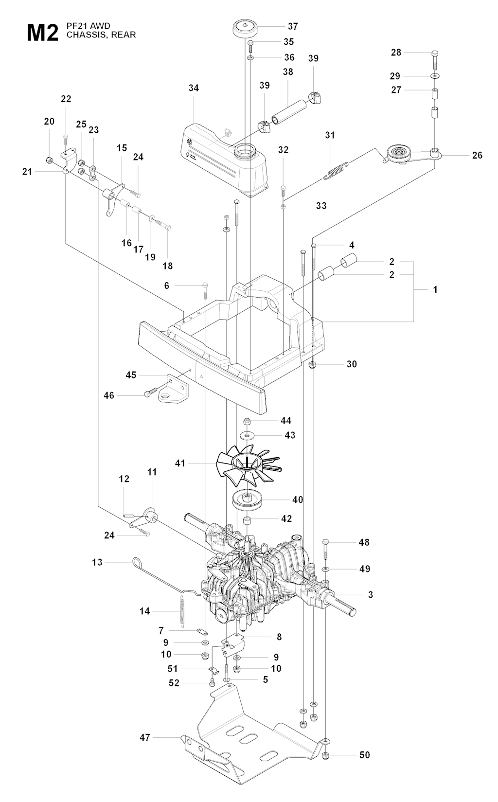
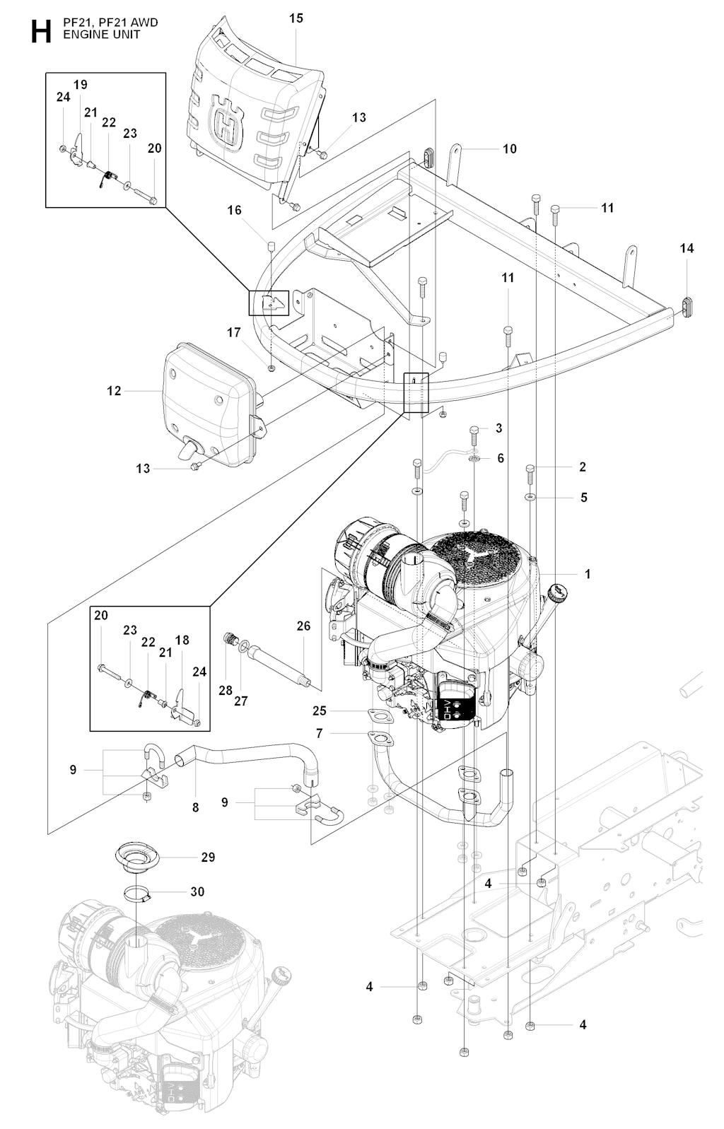
528 von insgesamt 528 eingezeichneten Ersatzteilen in Explosionszeichnung Nr. 1

1
Husqvarna 535 42 52-01 - TANK
1x
113,80 €
1
Husqvarna 506 66 59-01 - STANGE
1x
11,89 €
1
Husqvarna 535 47 54-01 - BEFESTIGUNG
1x
112,61 €
1
Husqvarna 583 95 14-01 - PEDALPLATTE KPL.
1x
135,78 €
1
Husqvarna 506 93 47-02 - STYRSPINDEL
1x
222,16 €
1
Husqvarna 502 63 66-01 - MOTOR
1x
1.895,11 €
1
Husqvarna 535 44 11-01 - BATTERY MAT
1x
19,50 €
1
Husqvarna 535 40 61-01 - BEFESTIGUNG
1x
338,82 €
1
Husqvarna 502 63 79-01 - RAHMEN
1x
250,76 €
1
Husqvarna 535 46 28-01 - AUFKLEBER
1x
3,93 €
1
Husqvarna 504 56 99-01 - GEHÄUSE
1x
681,31 €
1
Husqvarna 522 50 56-01 - MAEHGEHAEUSE
1x
959,56 €
2
Husqvarna 506 67 33-01 - TANKDECKEL KPL.
1x
37,09 €
2
Husqvarna 725 24 51-71 - SCHRAUBE
3x
3,38 €
2
Husqvarna 504 12 41-01 - Feder
2x
2,36 €
2
Husqvarna 738 21 10-04 - KUGELLAGER
1x
7,98 €
2
Husqvarna 725 24 57-51 - SCHRAUBE
3x
4,21 €
2
Husqvarna 589 53 29-01 - Riemen
1x
46,90 €
2
Husqvarna 506 98 61-02 - GLIDLAGER
2x
12,33 €
2
Husqvarna 725 24 67-51 - SCHRAUBE
1x
4,83 €
2
Husqvarna 544 45 04-01 - Hydraulikrohr
1x
71,66 €
2
Husqvarna 504 55 78-01 - Führung
1x
18,35 €
2
Husqvarna 506 91 62-01 - MUTTER
3x
5,26 €
2
Husqvarna 506 91 62-01 - MUTTER
3x
5,26 €
3
Husqvarna 535 41 49-75 - BEFESTIGUNG
1x
23,74 €
3
Husqvarna 535 41 49-76 - BEFESTIGUNG
1x
24,06 €
3
Husqvarna 732 21 18-01 - LOCK NUT
3x
1,88 €
3
Husqvarna 506 94 67-05 - SCHLAUCH
1x
14,17 €
3
Husqvarna 502 48 22-01 - SCHUTZGITTER
1x
16,87 €
3
Husqvarna 535 44 47-02 - STUETZE
1x
11,42 €
3
Husqvarna 506 57 01-04 - SCHRAUBE
4x
3,81 €
3
Husqvarna 738 21 05-04 - KUGELLAGER
1x
7,98 €
3
Husqvarna 725 24 59-51 - SCHRAUBE
1x
4,83 €
3
Husqvarna 589 53 11-01 - Riemen
1x
62,32 €
3
Husqvarna 506 83 68-02 - RIEMEN
1x
4,90 €
3
Husqvarna 725 24 64-51 - SCHRAUBE
1x
4,61 €
3
Husqvarna 544 45 05-01 - Hydraulikrohr
1x
68,08 €
3
Husqvarna 544 00 34-01 - BUCHSE
2x
14,43 €
3
Husqvarna 506 89 34-01 - AUFKLEBER
1x
3,21 €
3
Husqvarna 544 44 93-01 - STOPFEN
1x
102,07 €
3
Husqvarna 535 42 83-02 - Pfropfen kpl.
1x
106,81 €
4
Husqvarna 535 41 49-77 - SCHRAUBE
6x
4,90 €
4
Husqvarna 732 21 18-01 - LOCK NUT
8x
1,88 €
4
Husqvarna 535 46 97-01 - HOSE BRACE
2x
4,90 €
4
Husqvarna 504 10 19-02 - Luftleitblech
1x
62,92 €
4
Husqvarna 734 11 64-41 - SCHEIBE
1x
2,57 €
4
Husqvarna 506 78 45-02 - ARM
1x
20,91 €
4
Husqvarna 506 57 01-04 - SCHRAUBE
3x
3,81 €
4
Husqvarna 506 93 83-01 - DÄMPFER
1x
68,95 €
4
Husqvarna 735 31 40-10 - SICHERUNGSRING
1x
3,92 €
4
Husqvarna 506 57 43-01 - Ventil
1x
4,99 €
4
Husqvarna 535 48 24-01 - RIEMENSCHEIBE
1x
101,32 €
4
Husqvarna 504 62 82-01 - Schraube EHHM
3x
4,91 €
4
Husqvarna 535 42 38-03 - SCHRAUBE
1x
4,52 €
4
Husqvarna 544 45 64-01 - HYDRAULIKSCHLAUCH
2x
62,76 €
4
Husqvarna 506 99 33-02 - Hülse
2x
5,43 €
4
Husqvarna 506 89 35-01 - AUFKLEBER
1x
2,83 €
5
Husqvarna 535 41 49-78 - ABSTANDSSTUECK
4x
5,12 €
5
Husqvarna 506 89 18-01 - ANSCHLUSS
1x
25,67 €
5
Husqvarna 504 61 09-01 - SCHRAUBE
5x
4,90 €
5
Husqvarna 506 95 11-01 - MITNEHMER
1x
99,15 €
5
Husqvarna 506 78 46-01 - KOLBEN
1x
2,53 €
5
Husqvarna 506 93 84-02 - ACHSE
1x
17,59 €
5
Husqvarna 735 31 26-00 - SICHERUNGSRING
1x
0,57 €
5
Husqvarna 734 11 64-01 - SCHEIBE
3x
4,90 €
5
Husqvarna 734 11 64-01 - SCHEIBE
3x
4,90 €
5
Husqvarna 734 11 64-01 - SCHEIBE
3x
4,90 €
5
Husqvarna 506 50 92-01 - ABSTANDSHÜLSE
1x
8,93 €
5
Husqvarna 544 43 98-01 - RELAIS
1x
14,41 €
5
Husqvarna 535 42 38-08 - SCHRAUBE RSQM
1x
4,88 €
5
Husqvarna 544 37 33-02 - ROHRHALTER
1x
3,83 €
5
Husqvarna 725 64 59-01 - SCHRAUBE
2x
2,25 €
5
Husqvarna 544 21 14-01 - AUFKLEBER
1x
2,98 €
6
Husqvarna 535 41 49-79 - SCHRAUBE
2x
4,61 €
6
Husqvarna 732 21 18-01 - LOCK NUT
3x
1,88 €
6
Husqvarna 732 21 18-01 - LOCK NUT
2x
1,88 €
6
Husqvarna 740 48 12-02 - O-RING
1x
2,95 €
6
Husqvarna 502 49 46-01 - Lastträger
1x
116,11 €
6
Husqvarna 506 96 80-01 - ACHSE
1x
63,53 €
6
Husqvarna 735 31 09-20 - FEDERRING
2x
0,52 €
6
Husqvarna 725 23 64-61 - SCHRAUBE
1x
1,70 €
6
Husqvarna 535 46 30-01 - ACHSE
1x
51,56 €
6
Husqvarna 735 21 64-00 - SICHERUNGSSCHEIBE
1x
2,27 €
6
Husqvarna 506 89 00-01 - NABE
1x
155,52 €
6
Husqvarna 506 55 59-01 - KEIL
1x
4,19 €
6
Husqvarna 544 37 38-02 - ABDECKPLATTE
1x
4,51 €
7
Husqvarna 535 41 49-80 - MUTTER
2x
1,96 €
7
Husqvarna 544 40 05-01 - SCHRAUBE
10x
2,14 €
7
Husqvarna 735 31 22-20 - FEDERRING
2x
4,90 €
7
Husqvarna 506 94 63-01 - BREMSFEDER
1x
7,81 €
7
Husqvarna 735 31 26-00 - SICHERUNGSRING
2x
0,57 €
7
Husqvarna 502 63 68-01 - VERGASERROHR
1x
55,47 €
7
Husqvarna 506 89 02-01 - BOLZEN
4x
5,22 €
7
Husqvarna 506 59 75-01 - SCHEIBE
1x
7,13 €
7
Husqvarna 501 00 75-01 - KLAMMER
1x
4,90 €
7
Husqvarna 506 59 93-01 - GELENK
1x
3,77 €
7
Husqvarna 544 00 89-02 - LAGER
1x
70,54 €
7
Husqvarna 506 57 01-07 - SCHRAUBE
1x
4,57 €
7
Husqvarna 504 55 80-01 - Hebel
1x
15,02 €
7
Husqvarna 535 42 87-01 - ACHSE
1x
33,20 €
8
Husqvarna 504 62 95-01 - Dichtung
1x
8,41 €
8
Husqvarna 732 25 22-01 - SICHERUNGSMUTTER
1x
4,53 €
8
Husqvarna 506 78 47-01 - HEBEL
1x
45,16 €
8
Husqvarna 506 99 27-02 - KABEL
1x
55,13 €
8
Husqvarna 506 77 34-01 - SCHEIBE
2x
2,78 €
8
Husqvarna 502 63 70-01 - VERGASERROHR
1x
38,09 €
8
Husqvarna 506 86 50-01 - MUTTER
16x
9,42 €
8
Husqvarna 506 55 60-02 - SCREW UNC
1x
5,69 €
8
Husqvarna 722 78 22-09 - NIETE
1x
4,90 €
8
Husqvarna 544 38 81-01 - HALTER
1x
8,27 €
8
Husqvarna 544 00 90-02 - LAGERGEHÄUSE
1x
22,41 €
8
Husqvarna 544 81 17-01 - MUTTER
1x
2,30 €
8
Husqvarna 506 91 87-01 - SCHEIBE
1x
4,88 €
8
Husqvarna 535 42 87-01 - ACHSE
1x
33,20 €
9
Husqvarna 732 21 18-01 - LOCK NUT
4x
1,88 €
9
Husqvarna 535 42 58-01 - SCHRAUBE
5x
4,90 €
9
Husqvarna 504 61 39-01 - FÜHRUNGSPLATTE
1x
19,50 €
9
Husqvarna 506 57 01-05 - SCHRAUBE
2x
4,90 €
9
Husqvarna 506 53 14-01 - FEDER
1x
3,92 €
9
Husqvarna 735 31 09-20 - FEDERRING
1x
0,52 €
9
Husqvarna 740 68 14-21 - V-RING
1x
4,00 €
9
Husqvarna 734 11 64-01 - SCHEIBE
5x
4,90 €
9
Husqvarna 505 51 24-01 - SCHEIBE
3x
11,13 €
9
Husqvarna 535 42 66-03 - ROHRKUPPLUNG
1x
50,65 €
9
Husqvarna 725 64 49-01 - SCHRAUBE
1x
1,70 €
9
Husqvarna 535 41 31-01 - AUFKLEBER
1x
2,81 €
10
Husqvarna 732 21 18-01 - LOCK NUT
5x
1,88 €
10
Husqvarna 535 43 86-01 - BEFESTIGUNG
1x
37,95 €
10
Husqvarna 504 61 39-02 - FÜHRUNGSPLATTE
1x
19,50 €
10
Husqvarna 731 23 18-01 - SECHSKANTMUTTER
2x
2,40 €
10
Husqvarna 731 23 20-51 - SECHSKANTMUTTER
4x
2,69 €
10
Husqvarna 506 53 15-01 - ACHSE
1x
4,63 €
10
Husqvarna 506 53 84-04 - BROMSSPÄRR KPL. GEM.
1x
50,30 €
10
Husqvarna 506 67 19-01 - FEDER
1x
26,19 €
10
Husqvarna 734 11 64-01 - SCHEIBE
2x
4,90 €
10
Husqvarna 544 44 89-01 - Hydraulikrohr
1x
59,02 €
10
Husqvarna 506 53 56-03 - ZUGFEDER
1x
4,53 €
11
Husqvarna 732 21 18-01 - LOCK NUT
2x
1,88 €
11
Husqvarna 725 24 51-71 - SCHRAUBE
3x
3,38 €
11
Husqvarna 725 24 51-71 - SCHRAUBE
4x
3,38 €
11
Husqvarna 721 84 54-01 - BOLZEN
2x
1,79 €
11
Husqvarna 506 95 14-01 - ARM
1x
22,29 €
11
Husqvarna 735 31 09-20 - FEDERRING
2x
0,52 €
11
Husqvarna 725 23 64-61 - SCHRAUBE
2x
1,70 €
11
Husqvarna 506 50 48-06 - SCHEIBE
5x
2,27 €
11
Husqvarna 535 48 44-02 - SPANNER
1x
48,95 €
11
Husqvarna 544 38 73-01 - HEBEL
1x
10,88 €
11
Husqvarna 522 42 98-01 - HYDRAULIKSCHLAUCH
1x
48,52 €
11
Husqvarna 504 81 28-01 - RIEMENFÜHRUNG
1x
13,58 €
12
Husqvarna 529 29 24-01 - DAEMPFER
1x
14,96 €
12
Husqvarna 725 23 66-51 - HEXAGONAL SCREW M6X12
3x
4,90 €
12
Husqvarna 506 66 88-01 - SPRING COTTER
2x
2,44 €
12
Husqvarna 506 55 65-01 - LAGER
2x
5,44 €
12
Husqvarna 735 31 26-00 - SICHERUNGSRING
1x
0,57 €
12
Husqvarna 506 67 08-01 - GELENK
1x
7,51 €
12
Husqvarna 544 39 27-01 - MUFFLER ASSY
1x
212,44 €
12
Husqvarna 506 55 59-01 - KEIL
4x
4,19 €
12
Husqvarna 522 62 21-01 - SCHRAUBE
2x
1,70 €
12
Husqvarna 721 43 47-01 - FEDERSTIFT
1x
4,90 €
12
Husqvarna 505 13 11-01 - SCHLAUCHSCHELLE
1x
1,70 €
12
Husqvarna 594 11 00-01 - RIEMENSCHEIBE
2x
22,09 €
12
Husqvarna 505 51 45-02 - AUFKLEBER
1x
5,14 €
13
Husqvarna 502 63 75-01 - DECKEL
1x
33,45 €
13
Husqvarna 504 90 79-01 - Hebel
1x
59,02 €
13
Husqvarna 502 63 63-01 - Anschluss
1x
10,10 €
13
Husqvarna 506 59 74-01 - SCHRAUBE
1x
4,83 €
13
Husqvarna 731 23 14-01 - SECHSKANTMUTTER
2x
1,18 €
13
Husqvarna 735 31 26-00 - SICHERUNGSRING
4x
0,57 €
13
Husqvarna 535 47 52-12 - SCHRAUBE
6x
2,44 €
13
Husqvarna 506 66 56-01 - FEDER
1x
11,38 €
13
Husqvarna 522 62 43-01 - MUTTER
2x
1,93 €
13
Husqvarna 505 49 01-01 - ARM
1x
5,51 €
13
Husqvarna 503 73 58-01 - BUSHING
1x
4,88 €
13
Husqvarna 544 37 33-03 - ROHRHALTER
1x
3,83 €
13
Husqvarna 544 00 34-01 - BUCHSE
2x
14,43 €
13
Husqvarna 505 51 44-02 - AUFKLEBER
1x
3,34 €
14
Husqvarna 535 42 58-01 - SCHRAUBE
4x
4,90 €
14
Husqvarna 535 43 88-01 - STUETZE
1x
28,74 €
14
Husqvarna 506 55 65-01 - LAGER
3x
5,44 €
14
Husqvarna 506 55 73-01 - VINKELL.AS8 DIN71802
2x
7,43 €
14
Husqvarna 544 42 73-01 - KLAMMER
1x
34,12 €
14
Husqvarna 504 64 36-01 - Stopfen
2x
2,99 €
14
Husqvarna 506 86 48-01 - DECKEL
4x
6,82 €
14
Husqvarna 506 89 98-01 - MUTTER
3x
4,90 €
14
Husqvarna 506 83 43-01 - FEDER
1x
2,98 €
14
Husqvarna 535 49 97-01 - ARM
1x
9,03 €
14
Husqvarna 535 43 85-01 - DECKSCHEIBE
1x
4,12 €
14
Husqvarna 544 00 34-02 - BUCHSE
1x
20,42 €
14
Husqvarna 505 51 66-01 - AUFKLEBER
1x
3,15 €
15
Husqvarna 502 63 77-01 - DECKEL
1x
41,09 €
15
Husqvarna 725 24 53-71 - SCHRAUBE
1x
2,99 €
15
Husqvarna 732 21 14-01 - LOCK NUT
2x
4,90 €
15
Husqvarna 506 67 54-02 - SCHRAUBE
1x
5,49 €
15
Husqvarna 501 00 25-01 - VERKABELUNG
1x
44,33 €
15
Husqvarna 721 43 47-01 - FEDERSTIFT
1x
4,90 €
15
Husqvarna 544 38 82-01 - Hebel
1x
9,07 €
15
Husqvarna 535 47 52-45 - SCHRAUBE EHHFM
1x
3,18 €
15
Husqvarna 506 99 33-02 - Hülse
1x
5,43 €
15
Husqvarna 505 51 67-01 - AUFKLEBER
2x
2,46 €
15
Husqvarna 535 42 38-01 - SCHRAUBE
12x
3,34 €
16
Husqvarna 535 42 91-01 - FEDERMUTTER
6x
4,90 €
16
Husqvarna 731 23 20-51 - SECHSKANTMUTTER
4x
2,69 €
16
Husqvarna 732 21 16-01 - LOCK NUT
1x
1,19 €
16
Husqvarna 734 11 64-01 - SCHEIBE
12x
4,90 €
16
Husqvarna 504 63 88-01 - Gummidämpfer
2x
5,00 €
16
Husqvarna 535 48 22-01 - RIEMENSCHEIBE
1x
85,64 €
16
Husqvarna 725 24 62-51 - SCHRAUBE
2x
4,44 €
16
Husqvarna 544 84 15-01 - ANSCHLUSS
1x
288,47 €
16
Husqvarna 544 81 17-02 - KÄFIGNUTTER
1x
4,90 €
16
Husqvarna 544 39 11-02 - AUFKLEBER
1x
3,24 €
16
Husqvarna 535 42 38-01 - SCHRAUBE
12x
3,34 €
17
Husqvarna 732 21 18-01 - LOCK NUT
2x
1,88 €
17
Husqvarna 732 21 18-01 - LOCK NUT
12x
1,88 €
17
Husqvarna 535 47 65-01 - DECKEL
1x
110,96 €
17
Husqvarna 506 85 45-01 - GESTAENGE
1x
15,42 €
17
Husqvarna 732 21 14-01 - LOCK NUT
2x
4,90 €
17
Husqvarna 734 11 64-01 - SCHEIBE
12x
4,90 €
17
Husqvarna 544 84 98-01 - VERKABELUNG
1x
61,14 €
17
Husqvarna 506 99 20-01 - ROHR
1x
15,72 €
17
Husqvarna 535 49 28-02 - HALTER
1x
5,91 €
17
Husqvarna 535 42 65-01 - SCHLAUCHKUPPLUNG
1x
13,23 €
18
Husqvarna 732 21 18-01 - LOCK NUT
12x
1,88 €
18
Husqvarna 731 23 18-01 - SECHSKANTMUTTER
1x
2,40 €
18
Husqvarna 731 23 20-51 - SECHSKANTMUTTER
1x
2,69 €
18
Husqvarna 732 21 14-01 - LOCK NUT
2x
4,90 €
18
Husqvarna 544 40 53-01 - RIEMENFÜHRUNG
1x
7,58 €
18
Husqvarna 544 45 67-01 - STANGE
1x
73,59 €
18
Husqvarna 535 45 03-01 - SCHLAUCH
1x
83,73 €
18
Husqvarna 504 62 19-01 - BUEGEL
1x
17,12 €
18
Husqvarna 535 42 90-01 - RIEMENSCHEIBE
4x
66,18 €
19
Husqvarna 734 11 64-41 - SCHEIBE
1x
2,57 €
19
Husqvarna 725 24 97-51 - SCHRAUBE
1x
4,69 €
19
Husqvarna 506 57 01-05 - SCHRAUBE
1x
4,90 €
19
Husqvarna 734 11 72-01 - Scheibe 3/8
1x
1,86 €
19
Husqvarna 506 56 65-01 - KLAMMER
1x
4,90 €
19
Husqvarna 735 31 40-10 - SICHERUNGSRING
1x
3,92 €
19
Husqvarna 722 78 29-02 - SCHRAUBE 3.2X13.3
2x
2,01 €
19
Husqvarna 544 84 17-01 - SCHRAUBE
1x
4,90 €
19
Husqvarna 544 83 42-01 - Hydraulikrohr
1x
70,01 €
19
Husqvarna 535 42 90-01 - RIEMENSCHEIBE
4x
66,18 €
19
Husqvarna 506 53 35-01 - FLACHKEIL
7x
3,87 €
20
Husqvarna 732 21 18-01 - LOCK NUT
1x
1,88 €
20
Husqvarna 732 21 18-01 - LOCK NUT
1x
1,88 €
20
Husqvarna 738 21 02-04 - KUGELLAGER
1x
6,30 €
20
Husqvarna 725 23 74-51 - SCHRAUBE
2x
2,07 €
20
Husqvarna 738 21 04-04 - KUGELLAGER
1x
7,74 €
20
Husqvarna 725 23 70-71 - SCHRAUBE
1x
4,90 €
20
Husqvarna 535 43 73-01 - ROHRKUPPLUNG
1x
48,17 €
20
Husqvarna 506 53 35-01 - FLACHKEIL
7x
3,87 €
21
Husqvarna 721 61 83-01 - SPANNHÜLSE
1x
0,51 €
21
Husqvarna 738 21 04-04 - KUGELLAGER
1x
7,74 €
21
Husqvarna 735 31 38-10 - SICHERUNGSRING
1x
4,90 €
21
Husqvarna 544 38 85-01 - HALTER
1x
9,21 €
21
Husqvarna 535 42 69-01 - SCHLAUCHKUPPLUNG
1x
46,92 €
21
Husqvarna 535 42 92-01 - DISTANZSCHEIBE
3x
1,93 €
22
Husqvarna 535 47 47-01 - FUSSMATTE LINKS
1x
31,70 €
22
Husqvarna 734 11 64-41 - SCHEIBE
1x
2,57 €
22
Husqvarna 721 61 83-01 - SPANNHÜLSE
6x
0,51 €
22
Husqvarna 502 63 64-02 - KUPPLUNGSGESTAENGE
1x
49,22 €
22
Husqvarna 725 25 00-51 - SCHRAUBE
1x
4,91 €
22
Husqvarna 504 63 90-01 - Feder
2x
2,87 €
22
Husqvarna 735 31 38-10 - SICHERUNGSRING
1x
4,90 €
22
Husqvarna 504 20 99-01 - Hydraulikrohr
1x
72,17 €
22
Husqvarna 535 42 92-01 - DISTANZSCHEIBE
3x
1,93 €
22
Husqvarna 725 25 42-51 - Schraube
3x
5,69 €
23
Husqvarna 535 47 47-02 - FUSSMATTE RECHTS
1x
28,76 €
23
Husqvarna 506 94 05-01 - ARM
1x
33,43 €
23
Husqvarna 506 59 74-01 - SCHRAUBE
1x
4,83 €
23
Husqvarna 734 11 74-41 - SCHEIBE
2x
3,56 €
23
Husqvarna 734 11 54-41 - SCHEIBE
2x
1,74 €
23
Husqvarna 725 24 61-51 - SCHRAUBE
1x
4,34 €
23
Husqvarna 544 88 84-01 - GESTÄNGE
1x
6,15 €
23
Husqvarna 506 95 17-01 - GELENKKOPF
2x
14,89 €
23
Husqvarna 535 42 68-01 - SCHLAUCHKUPPLUNG
1x
14,34 €
23
Husqvarna 506 55 83-02 - SCHRAUBE
1x
2,44 €
23
Husqvarna 725 25 42-51 - Schraube
3x
5,69 €
23
Husqvarna 535 50 42-01 - NABE
3x
13,32 €
24
Husqvarna 535 46 05-01 - DICHTUNG
1x
8,12 €
24
Husqvarna 734 11 64-41 - SCHEIBE
1x
2,57 €
24
Husqvarna 731 23 18-01 - SECHSKANTMUTTER
1x
2,40 €
24
Husqvarna 506 81 70-01 - FEDER
1x
5,52 €
24
Husqvarna 732 21 16-01 - LOCK NUT
2x
1,19 €
24
Husqvarna 732 21 20-51 - MUTTER
1x
3,55 €
24
Husqvarna 535 47 52-12 - SCHRAUBE
2x
2,44 €
24
Husqvarna 544 44 07-01 - NIETE
2x
2,26 €
24
Husqvarna 544 37 33-03 - ROHRHALTER
1x
3,83 €
24
Husqvarna 504 62 24-01 - FEDER
1x
9,39 €
24
Husqvarna 535 50 42-01 - NABE
3x
13,32 €
24
Husqvarna Messer Combi 112 XP
3x
36,45 €
25
Husqvarna 535 45 97-01 - DECKEL
1x
91,84 €
25
Husqvarna 725 25 44-71 - * SCHRAUBE 12X60 8.8
1x
5,88 €
25
Husqvarna 732 21 14-01 - LOCK NUT
2x
4,90 €
25
Husqvarna 506 52 24-01 - SEILROLLE
2x
9,19 €
25
Husqvarna 535 41 42-36 - DICHTUNG KAWA-ET
2x
5,08 €
25
Husqvarna 544 00 29-01 - BUCHSE
1x
32,36 €
25
Husqvarna 544 44 19-01 - GESTÄNGE
1x
12,29 €
25
Husqvarna 535 43 85-01 - DECKSCHEIBE
1x
4,12 €
25
Husqvarna 504 62 21-01 - GRIFF KPL.
1x
14,95 €
25
Husqvarna 506 79 23-02 - DISTANZSCHEIBE
3x
12,28 €
25
Husqvarna 535 42 94-10 - Messer
3x
43,84 €
26
Husqvarna 535 42 58-02 - SCHRAUBE MK6 S 6X20
4x
1,70 €
26
Husqvarna 732 25 22-01 - SICHERUNGSMUTTER
1x
4,53 €
26
Husqvarna 734 11 64-01 - SCHEIBE
1x
4,90 €
26
Husqvarna 535 41 44-16 - GELENK KAWA-ET
1x
7,35 €
26
Husqvarna 544 41 57-01 - HALTER
1x
5,26 €
26
Husqvarna 506 99 30-01 - SPANNER
1x
53,90 €
26
Husqvarna 535 47 52-45 - SCHRAUBE EHHFM
1x
3,18 €
26
Husqvarna 505 45 17-01 - SCHEIBE
1x
10,79 €
26
Husqvarna 725 25 42-51 - Schraube
3x
5,69 €
26
Husqvarna 506 79 23-02 - DISTANZSCHEIBE
3x
12,28 €
27
Husqvarna 732 21 18-01 - LOCK NUT
1x
1,88 €
27
Husqvarna 535 46 29-01 - ABSTANDSSTUECK
2x
1,79 €
27
Husqvarna 506 90 56-01 - RAD
2x
21,94 €
27
Husqvarna 735 31 14-20 - FEDERRING
2x
0,52 €
27
Husqvarna 732 21 16-01 - LOCK NUT
1x
1,19 €
27
Husqvarna 506 88 91-01 - KNOPF
1x
4,76 €
27
Husqvarna 531 00 11-90 - O-RING KAWA-ET
1x
2,95 €
27
Husqvarna 506 99 20-01 - ROHR
1x
15,72 €
27
Husqvarna 535 48 66-01 - GELENKKOPF
1x
7,72 €
27
Husqvarna 725 64 53-01 - SCHRAUBE
1x
0,89 €
27
Husqvarna 725 25 42-51 - Schraube
3x
5,69 €
27
Husqvarna 506 54 07-01 - RIEMENSPANNER KPL.
1x
69,48 €
28
Husqvarna 732 21 18-01 - LOCK NUT
1x
1,88 €
28
Husqvarna 506 88 91-02 - KNOPF
1x
5,26 €
28
Husqvarna 506 55 46-01 - KETTE
1x
19,67 €
28
Husqvarna 535 41 44-60 - PFROPFEN KAWA-ET
1x
8,06 €
28
Husqvarna 535 45 70-01 - FEDER
1x
8,18 €
28
Husqvarna 725 24 62-51 - SCHRAUBE
1x
4,44 €
28
Husqvarna 535 48 66-02 - GELENKKOPF
1x
7,62 €
28
Husqvarna 506 54 07-01 - RIEMENSPANNER KPL.
1x
69,48 €
28
Husqvarna 506 51 95-01 - SPÄNNARM KPL.
1x
71,57 €
29
Husqvarna 502 28 69-01 - Deckel
1x
64,66 €
29
Husqvarna 734 11 64-41 - SCHEIBE
1x
2,57 €
29
Husqvarna 506 55 47-01 - GELENK
2x
4,62 €
29
Husqvarna 504 54 69-01 - Ausgleichselement
1x
23,98 €
29
Husqvarna 544 44 07-01 - NIETE
2x
2,26 €
29
Husqvarna 535 48 65-01 - GELENK
1x
14,20 €
29
Husqvarna 504 62 17-01 - FÜHRUNG
1x
10,45 €
29
Husqvarna 506 51 95-01 - SPÄNNARM KPL.
1x
71,57 €
29
Husqvarna 506 53 27-01 - RIEMENSCHEIBE
1x
54,88 €
30
Husqvarna 732 21 18-01 - LOCK NUT
1x
1,88 €
30
Husqvarna 734 11 64-41 - SCHEIBE
1x
2,57 €
30
Husqvarna 502 63 60-01 - LENKUNG KPL.
1x
859,87 €
30
Husqvarna 544 20 27-03 - SCHLAUCHKLEMME
1x
4,90 €
30
Husqvarna 722 78 39-02 - BLIND RIVET
2x
2,01 €
30
Husqvarna 731 23 16-01 - SECHSKANTMUTTER
1x
4,90 €
30
Husqvarna 725 23 68-71 - SCHRAUBE
2x
1,73 €
30
Husqvarna 535 43 70-01 - SCHLAUCHKUPPLUNG
1x
12,84 €
30
Husqvarna 506 53 27-01 - RIEMENSCHEIBE
1x
54,88 €
31
Husqvarna 535 42 15-01 - DECKEL
1x
96,79 €
31
Husqvarna 734 11 64-41 - SCHEIBE
1x
2,57 €
31
Husqvarna 735 31 18-20 - FEDERRING
2x
4,90 €
31
Husqvarna 732 21 16-01 - LOCK NUT
1x
1,19 €
31
Husqvarna 732 21 16-01 - LOCK NUT
2x
1,19 €
31
Husqvarna 728 84 43-05 - SCHRAUBE
2x
4,90 €
31
Husqvarna 506 54 25-02 - FEDER
1x
4,05 €
31
Husqvarna 503 22 10-18 - SECHSKANTMUTTER
1x
4,90 €
31
Husqvarna 535 43 71-01 - KUPPLUNG
1x
30,59 €
31
Husqvarna 506 55 83-02 - SCHRAUBE
1x
2,44 €
32
Husqvarna 725 23 66-51 - HEXAGONAL SCREW M6X12
2x
4,90 €
32
Husqvarna 506 55 46-08 - KETTE
1x
52,17 €
32
Husqvarna 731 23 14-01 - SECHSKANTMUTTER
1x
1,18 €
32
Husqvarna 506 86 34-01 - BEDIENER
2x
9,81 €
32
Husqvarna 535 43 72-01 - DICHTUNG
1x
2,90 €
32
Husqvarna 506 55 83-02 - SCHRAUBE
1x
2,44 €
32
Husqvarna 506 89 58-01 - COLLAR SCREW
2x
6,82 €
33
Husqvarna 725 24 51-71 - SCHRAUBE
1x
3,38 €
33
Husqvarna 535 44 71-01 - LINSE
1x
25,14 €
33
Husqvarna 732 25 22-01 - SICHERUNGSMUTTER
2x
4,53 €
33
Husqvarna 506 55 47-01 - GELENK
1x
4,62 €
33
Husqvarna 506 83 94-01 - FEDERSCHEIBE
2x
2,19 €
33
Husqvarna 735 31 26-00 - SICHERUNGSRING
2x
0,57 €
33
Husqvarna 535 47 49-01 - ZUENDSCHLOSS
1x
52,12 €
33
Husqvarna 731 23 16-01 - SECHSKANTMUTTER
1x
4,90 €
33
Husqvarna 725 24 93-71 - SCHRAUBE
2x
4,94 €
33
Husqvarna 505 44 00-01 - Hebel
1x
22,59 €
34
Husqvarna 732 21 18-01 - LOCK NUT
1x
1,88 €
34
Husqvarna 725 24 51-71 - SCHRAUBE
1x
3,38 €
34
Husqvarna 504 62 87-01 - BREMSHEBEL
1x
14,43 €
34
Husqvarna 732 21 16-01 - LOCK NUT
1x
1,19 €
34
Husqvarna 506 86 39-07 - Gasdraht
2x
15,03 €
34
Husqvarna 535 42 37-01 - SCHUTZ
1x
6,50 €
34
Husqvarna 535 47 60-01 - SCHLUESSEL
1x
9,67 €
34
Husqvarna 544 38 86-01 - BEHÄLTER
1x
92,45 €
34
Husqvarna 535 43 82-01 - KNOPF
1x
4,63 €
34
Husqvarna 506 96 66-01 - HAIR PIN COTTER
1x
4,90 €
35
Husqvarna 732 21 18-01 - LOCK NUT
1x
1,88 €
35
Husqvarna 535 43 28-01 - SCHRAUBE
3x
4,40 €
35
Husqvarna 535 47 50-01 - MUTTER
1x
1,74 €
35
Husqvarna 725 23 68-71 - SCHRAUBE
2x
1,73 €
35
Husqvarna 544 84 57-01 - Bodenplatte
1x
90,63 €
35
Husqvarna 505 42 09-01 - Feder mit Mutter
2x
41,23 €
35
Husqvarna 506 53 31-01 - FEDER
1x
9,39 €
36
Husqvarna 731 23 18-01 - SECHSKANTMUTTER
1x
2,40 €
36
Husqvarna 506 57 01-05 - SCHRAUBE
1x
4,90 €
36
Husqvarna 506 57 01-04 - SCHRAUBE
3x
3,81 €
36
Husqvarna 535 42 36-01 - HALTER
1x
19,77 €
36
Husqvarna 734 11 54-41 - SCHEIBE
2x
1,74 €
36
Husqvarna 504 85 17-01 - Zündschloss
1x
50,86 €
36
Husqvarna 506 53 31-01 - FEDER
1x
9,39 €
37
Husqvarna 732 21 18-01 - LOCK NUT
1x
1,88 €
37
Husqvarna 506 67 33-01 - TANKDECKEL KPL.
1x
37,09 €
37
Husqvarna 734 11 72-01 - Scheibe 3/8
2x
1,86 €
37
Husqvarna 732 21 14-01 - LOCK NUT
1x
4,90 €
37
Husqvarna 738 21 05-04 - KUGELLAGER
2x
7,98 €
37
Husqvarna 728 84 43-05 - SCHRAUBE
1x
4,90 €
37
Husqvarna 544 09 62-01 - DECKEL
1x
47,99 €
37
Husqvarna 589 53 30-01 - Riemen
1x
57,60 €
38
Husqvarna 504 10 14-01 - DECKEL
1x
25,68 €
38
Husqvarna 735 31 40-10 - SICHERUNGSRING
1x
3,92 €
38
Husqvarna 722 78 25-02 - RIVET
2x
4,90 €
38
Husqvarna 535 45 83-02 - SCHLAUCH
1x
12,02 €
38
Husqvarna 535 42 72-01 - ZYLINDER KPL
1x
501,99 €
39
Husqvarna 504 63 68-01 - Gestänge
1x
10,79 €
39
Husqvarna 535 42 19-01 - ACHSE
1x
87,62 €
39
Husqvarna 535 46 23-01 - SCHALTER
2x
17,66 €
39
Husqvarna 505 44 36-01 - Schlauchklemme
2x
4,90 €
39
Husqvarna 535 42 71-03 - HYDRAULIKSCHLAUCH
2x
45,92 €
40
Husqvarna 735 31 14-20 - FEDERRING
1x
0,52 €
40
Husqvarna 502 29 62-01 - Rohrverstärkung
1x
42,97 €
40
Husqvarna 535 46 24-01 - SCHUTZ
2x
5,51 €
40
Husqvarna 535 43 76-01 - ACHSE
2x
4,89 €
41
Husqvarna 725 24 51-71 - SCHRAUBE
4x
3,38 €
41
Husqvarna 535 47 48-01 - ANSCHLUSS
1x
37,94 €
41
Husqvarna 506 94 81-01 - Lüfterrad
1x
15,11 €
41
Husqvarna 535 45 66-01 - PLATTE
2x
27,75 €
42
Husqvarna 732 21 18-01 - LOCK NUT
4x
1,88 €
42
Husqvarna 535 42 35-01 - HALTER
1x
29,49 €
42
Husqvarna 502 43 38-01 - Hülse
1x
6,93 €
42
Husqvarna 735 31 12-00 - SPERRING
4x
4,90 €
42
Husqvarna 505 45 03-01 - Hülse
2x
9,77 €
43
Husqvarna 734 11 74-41 - SCHEIBE
1x
3,56 €
43
Husqvarna 721 43 35-01 - STIFT
1x
4,90 €
43
Husqvarna 535 42 68-01 - SCHLAUCHKUPPLUNG
1x
14,34 €
43
Husqvarna 502 64 18-02 - Querstange
1x
42,09 €
43
Husqvarna 725 25 02-71 - SCHRAUBE
2x
5,03 €
44
Husqvarna 504 62 93-01 - LUEFTERRAD
1x
211,11 €
44
Husqvarna 504 64 34-01 - Hydraulikrohr
1x
54,03 €
44
Husqvarna 502 64 19-02 - Querstange
1x
45,12 €
45
Husqvarna 535 42 78-01 - KUGELLAGER
1x
6,87 €
45
Husqvarna 506 88 99-01 - HAKEN
1x
15,05 €
45
Husqvarna 575 79 08-01 - HYDRAULIKSCHLAUCH
1x
68,78 €
45
Husqvarna 506 86 96-01 - LAGER
8x
5,74 €
45
Husqvarna 544 18 54-01 - ROLLE
1x
51,52 €
46
Husqvarna 725 24 93-71 - SCHRAUBE
2x
4,94 €
46
Husqvarna 535 42 66-01 - SCHLAUCHKUPPLUNG
1x
44,11 €
46
Husqvarna 506 81 38-01 - REINFORCING PLATE
4x
4,65 €
46
Husqvarna 544 22 10-01 - SCHRAUBE M12X180
1x
3,05 €
47
Husqvarna 504 53 82-01 - LAGERKÄFIG
1x
11,33 €
47
Husqvarna 725 24 61-51 - SCHRAUBE
8x
4,34 €
47
Husqvarna 504 55 51-01 - Bodenplatte
1x
87,39 €
47
Husqvarna 544 37 33-03 - ROHRHALTER
1x
3,83 €
48
Husqvarna 732 21 18-01 - LOCK NUT
8x
1,88 €
48
Husqvarna 506 57 01-04 - SCHRAUBE
4x
3,81 €
48
Husqvarna 725 24 64-51 - SCHRAUBE
2x
4,61 €
48
Husqvarna 535 43 85-01 - DECKSCHEIBE
1x
4,12 €
49
Husqvarna 725 24 51-71 - SCHRAUBE
4x
3,38 €
49
Husqvarna 734 11 64-01 - SCHEIBE
2x
4,90 €
49
Husqvarna 535 47 52-45 - SCHRAUBE EHHFM
1x
3,18 €
49
Husqvarna 504 81 27-01 - Parallellgestänge
1x
83,90 €
50
Husqvarna 732 21 18-01 - LOCK NUT
2x
1,88 €
50
Husqvarna 732 21 18-01 - LOCK NUT
4x
1,88 €
50
Husqvarna 728 74 55-05 - SCHRAUBE
1x
2,14 €
50
Husqvarna 544 81 17-02 - KÄFIGNUTTER
1x
4,90 €
50
Husqvarna 502 64 23-01 - PARALLELSTANGE
1x
11,98 €
51
Husqvarna 731 23 18-01 - SECHSKANTMUTTER
1x
2,40 €
51
Husqvarna 506 56 65-01 - KLAMMER
1x
4,90 €
51
Husqvarna 506 83 98-03 - BOLZEN
1x
17,18 €
51
Husqvarna 502 64 18-03 - Querstange
1x
43,67 €
52
Husqvarna 721 61 83-01 - SPANNHÜLSE
1x
0,51 €
52
Husqvarna 544 43 32-01 - SCHUTZABDECKUNG
1x
3,40 €
52
Husqvarna 504 62 96-01 - HALTER
1x
9,88 €
52
Husqvarna 502 64 19-03 - Querstange
1x
46,64 €
53
Husqvarna 504 62 97-01 - HALTER
1x
11,45 €
53
Husqvarna 506 86 96-01 - LAGER
8x
5,74 €
54
Husqvarna 535 47 52-12 - SCHRAUBE
7x
2,44 €
54
Husqvarna 738 21 04-04 - KUGELLAGER
4x
7,74 €
54
Husqvarna 506 81 38-01 - REINFORCING PLATE
4x
4,65 €
55
Husqvarna 732 21 16-01 - LOCK NUT
3x
1,19 €
55
Husqvarna 725 24 61-51 - SCHRAUBE
8x
4,34 €
55
Husqvarna 535 50 59-01 - ROLLE
2x
57,73 €
56
Husqvarna 732 21 18-01 - LOCK NUT
8x
1,88 €
56
Husqvarna 597 89 46-02 - GABEL - früher 535 50 46-01
1x
36,47 €
57
Husqvarna 506 96 30-01 - RAD KPL.
1x
74,95 €
57
Husqvarna 504 81 27-02 - Parallellgestänge
1x
79,90 €
58
Husqvarna 505 45 90-01 - Ölkühler
1x
527,98 €
58
Husqvarna 502 64 23-01 - PARALLELSTANGE
1x
11,98 €
58
Husqvarna 506 81 08-02 - ROHR
1x
9,26 €
59
Husqvarna 504 62 93-01 - LUEFTERRAD
1x
211,11 €
59
Husqvarna 506 83 98-03 - BOLZEN
1x
17,18 €
59
Husqvarna 506 87 41-02 - ABSTANDSSCHEIBE
2x
6,22 €
60
Husqvarna 721 61 83-01 - SPANNHÜLSE
1x
0,51 €
60
Husqvarna 505 45 91-01 - OELKUEHLER
1x
262,20 €
60
Husqvarna 725 25 19-51 - SCHRAUBE
1x
7,53 €
61
Husqvarna 732 21 20-51 - MUTTER
1x
3,55 €
61
Husqvarna 505 45 92-01 - FILTERDECKEL
1x
120,05 €
62
Husqvarna 738 21 04-04 - KUGELLAGER
4x
7,74 €
62
Husqvarna 505 45 93-01 - LUFTEINLASS
1x
110,88 €
62
Husqvarna 506 50 48-05 - Scheibe A
2x
2,37 €
63
Husqvarna 506 57 01-04 - SCHRAUBE
2x
3,81 €
63
Husqvarna 535 50 59-01 - ROLLE
2x
57,73 €
64
Husqvarna 734 11 64-41 - SCHEIBE
2x
2,57 €
64
Husqvarna 725 23 70-71 - SCHRAUBE
1x
4,90 €
64
Husqvarna 597 89 46-02 - GABEL - früher 535 50 46-01
1x
36,47 €
65
Husqvarna 734 11 52-01 - Scheibe
7x
4,90 €
65
Husqvarna 506 96 30-01 - RAD KPL.
1x
74,95 €
65
Husqvarna 544 01 70-01 - DECKEL
2x
3,61 €
66
Husqvarna 506 59 74-01 - SCHRAUBE
4x
4,83 €
66
Husqvarna 506 81 08-02 - ROHR
1x
9,26 €
67
Husqvarna 732 21 18-01 - LOCK NUT
2x
1,88 €
67
Husqvarna 506 87 41-02 - ABSTANDSSCHEIBE
2x
6,22 €
68
Husqvarna 725 25 19-51 - SCHRAUBE
1x
7,53 €
69
Husqvarna 732 21 20-51 - MUTTER
1x
3,55 €
69
Husqvarna 502 64 24-01 - Arretierung
1x
6,53 €
70
Husqvarna 725 24 51-71 - SCHRAUBE
1x
3,38 €
70
Husqvarna 506 50 48-05 - Scheibe A
2x
2,37 €
71
Husqvarna 732 21 18-01 - LOCK NUT
1x
1,88 €
71
Husqvarna 506 57 01-04 - SCHRAUBE
2x
3,81 €
72
Husqvarna 734 11 64-41 - SCHEIBE
2x
2,57 €
72
Husqvarna 506 78 97-01 - AUFKLEBER
1x
4,39 €
73
Husqvarna 544 01 70-01 - DECKEL
2x
3,61 €
74
Husqvarna 506 59 74-01 - SCHRAUBE
4x
4,83 €
75
Husqvarna 732 21 18-01 - LOCK NUT
2x
1,88 €
76
Husqvarna 502 63 95-02 - HALTERUNG
1x
172,91 €
77
Husqvarna 502 64 24-01 - Arretierung
1x
6,53 €
78
Husqvarna 725 24 51-71 - SCHRAUBE
1x
3,38 €
79
Husqvarna 732 21 18-01 - LOCK NUT
1x
1,88 €
80
Husqvarna 506 78 97-01 - AUFKLEBER
1x
4,39 €

Produktbewertungen unserer Kunden
Unsere Bewertungen sind zu 100% echt.
Bewertungen von Kunden, die ihre Ware nicht bei uns gekauft haben, werden entsprechend gekennzeichnet.
Bewertungen mit diesem Symbol stammen von verifizierten Käufern!
Zu diesem Produkt gibt es noch keine Kundenbewertungen.
Sie können die erste Person sein, die zu diesem Produkt eine Bewertung schreibt.