mein_gartenshop24_de Logo
Unsere Seite verwendet Cookies und ähnliche Technologien, um die Benutzererfahrung auf unserer Website zu verbessern, Inhalte und Anzeigen zu personalisieren und die Nutzung unserer Website zu analysieren. Mit Ihrer Einwilligung stimmen Sie der Verwendung von Cookies sowie der Verarbeitung Ihrer persönlichen Daten zu, um Ihnen ein bestmögliches Surferlebnis und mehr Funktionen zu bieten.

Sie können Ihre Einwilligung jederzeit in den Cookie-Einstellungen anpassen oder widerrufen.
Experten-Beratung Lassen Sie sich von unseren Experten über das Kontaktformular beraten.
Artikelnummer: 4327530
Hier können Sie unsere qualifizierten Fachberater zur Planung Ihrer Bestellung kontaktieren.
Zum Kontaktformular
Hier erhalten Sie allgemeine Informationen zum Bestellprozess, der Lieferung, der Zahlung und mehr.
Zum FAQ
Hier können Sie Feedback zu dieser Seite abgeben oder unerwartete Inhalte und Auffälligkeiten melden.

Husqvarna Gartentraktoren CTH140 TWIN, 96061018502, 2007-05

Husqvarna Gartentraktoren CTH140 TWIN, 96061018502, 2007-05

Nicht lieferbar
Dieser Artikel ist leider nicht mehr zu bestellen. Wir empfehlen Ihnen eine alternative Artikelwahl aus dieser Kategorie. Wir wünschen Ihnen viel Spaß beim Stöbern.
Andere Produkte der Kategorie Gartengeräte
Artikel-Nr.: 4327530
  • Deutschlands bester Händler
  • Trusted Shops Käuferschutz
  • Rechnungskauf
  • Montageservice

Husqvarna Logo

Husqvarna

Der schwedische Hersteller Husqvarna bietet Ihnen Motorgeräte für die Forst-, Garten- sowie Landschaftspflege. Bereits 1689 begann die Unternehmensgeschichte, damals noch mit der Herstellung von Musketen. Somit profitiert das Unternehmen von mehr als 325 Jahre langer Erfahrung – und somit auch seine Kunden.

Die Zufriedenheit der Kunden ist dem international bekannten Unternehmen besonders wichtig. Daher arbeitet Husqvarna eng mit dem Anwender zusammen, auch nach dem Kauf steht das Unternehmen seinen Käufern mit Rat und Tat zur Seite. Sie können sich bei den Husqvarna Produkten daher auf eine kompromisslose Qualität, Benutzerfreundlichkeit sowie Spitzenleistung verlassen.
 

Garantie

Als unser Kunde genießen Sie auch nach dem Kauf Ihres Husqvarna-Produkts zahlreiche Vorteile! Im Garantiefall sind wir Ihr erster Ansprechpartner und werden Ihnen gerne weiterhelfen. Wir verfügen über eine eigene Hersteller-Werkstatt, sind qualifiziert und berechtigt, im Garantiefall alle nötigen Reparaturen an Ihrem Husqvarna-Gerät durchzuführen.

Das bedeutet für Sie: Sie können sich jederzeit an uns wenden, als Ihr Händler bei dem Sie die Ware gekauft haben sind wir stets die erste Adresse. Selbstverständlich steht es Ihnen jedoch frei, sich an jeden anderen autorisierten Husqvarna-Händler zu wenden.

Gegen Vorlegen Ihres Kaufbeleges (inklusive ausgefüllter Garantiekarte) aus unserem Shop können Sie wohnortnah - in ganz Europa, in der Schweiz und in Großbritannien - Ihr registriertes Produkt zur Garantieüberprüfung vorlegen. Der lokale Husqvarna Servicehändler wird im Garantiefall defekte Teile ausschließlich durch original Husqvarna-Ersatzteile und Zubehör ersetzen. 

 

Husqvarna Händler mit Onlineshop 

Ausschließlich autorisierte, qualifizierte Händler dürfen Husqvarna Produkte verkaufen. So erhalten Sie als Kunde fachgerechte Auskunft zu Ihren Fragen. Wir sind ein autorisierter Husqvarna Fachhändler mit eigener Werkstatt. Vor jeder Auslieferung werden die Geräte entsprechend der Herstellervorgaben geprüft.

 

Stationärer Handel:
Kömpf Baumarkt GmbH
Leibnizstr. 2
75365 Calw

 

Husqvarna Geräte

Husqvarna AB
Regeringsgatan 28
11153 Stockholm
Schweden
verkauf@husqvarna.de
Verantwortliche Person:
Husqvarna Deutschland GmbH
Hans-Lorenser-Strasse 40
89079 Ulm
Deutschland
verkauf@husqvarna.de

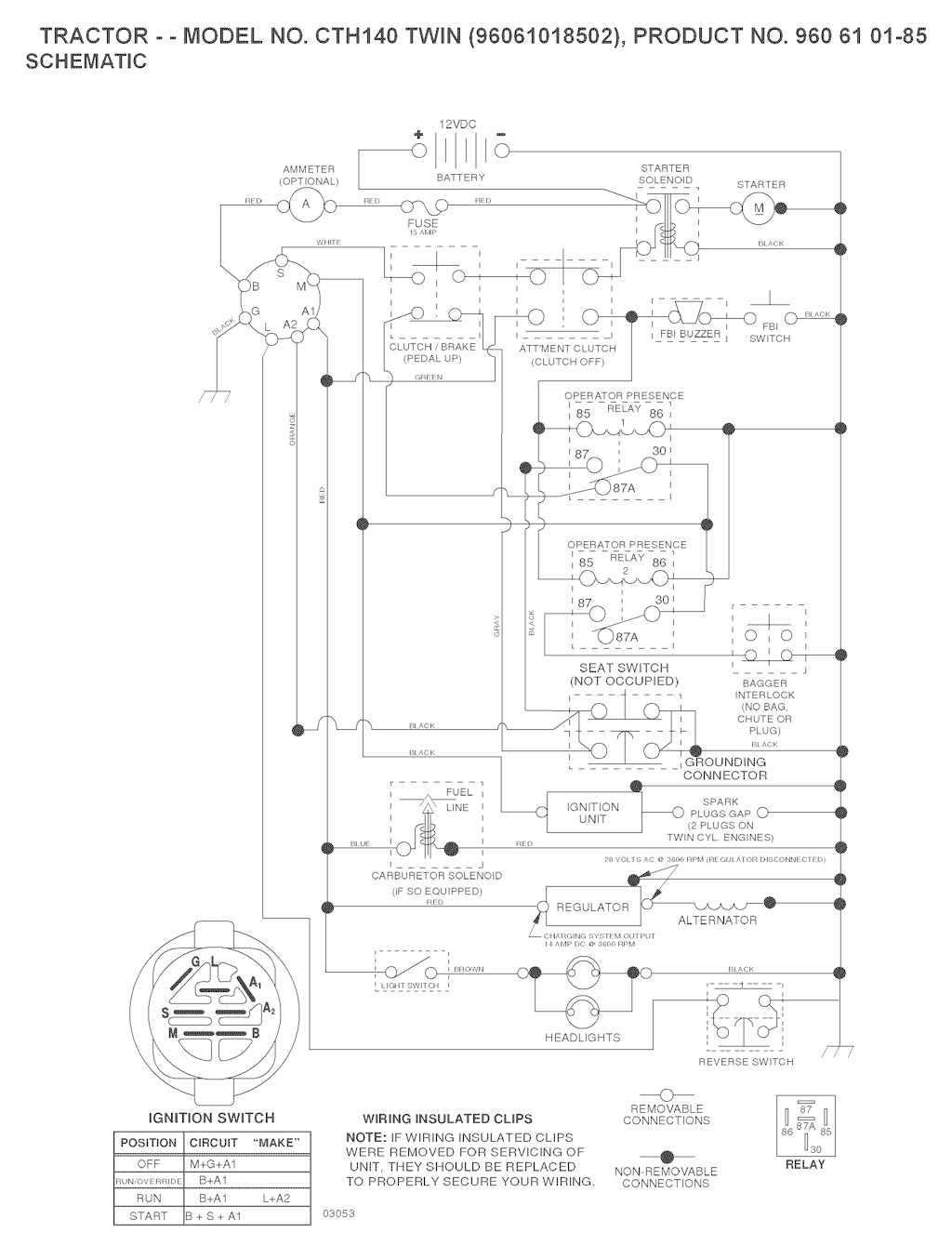
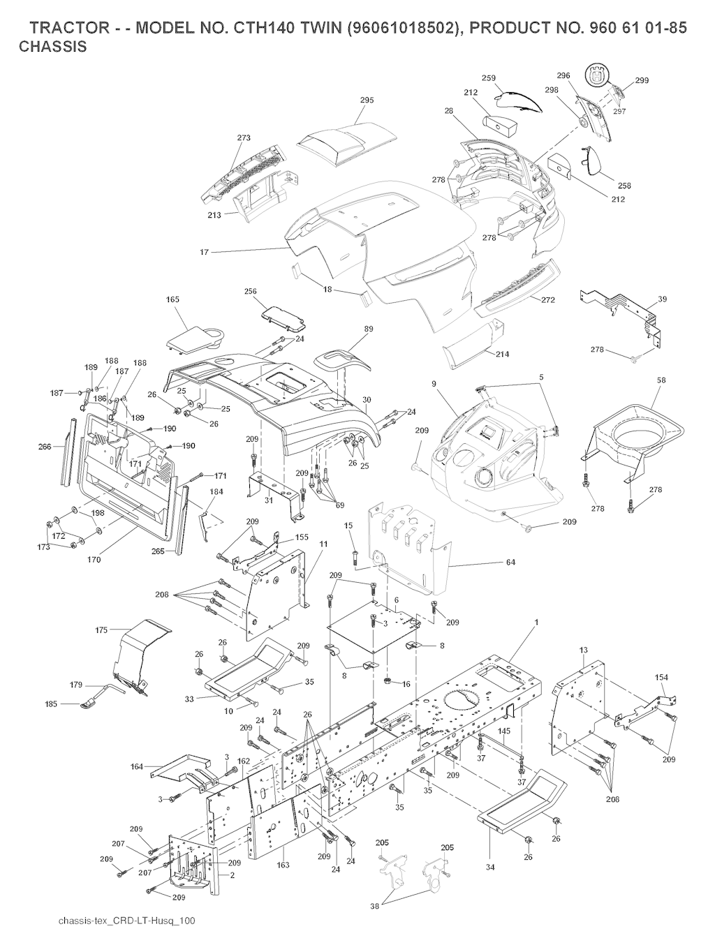
126 von insgesamt 126 eingezeichneten Ersatzteilen in Explosionszeichnung Nr. 1

-
Husqvarna 532 18 19-16 - BREMSBELAG
1x
10,07 €
1
Husqvarna 532 05 91-92 - Hut
1x
4,90 €
1
Husqvarna 532 41 21-65 - GASHEBELKABEL
1x
46,71 €
2
Husqvarna 532 41 09-69 - AUFKLEBER
1x
11,57 €
2
Husqvarna 532 06 51-39 - Nippel
1x
4,91 €
2
Husqvarna 874 76 04-12 - SCHRAUBE
1x
1,70 €
4
Husqvarna 532 05 99-04 - SCHLAUCH
1x
15,05 €
5
Husqvarna 532 40 75-90 - GUMMI
1x
4,70 €
5
Husqvarna 532 18 14-44 - ROHR
1x
93,93 €
6
Husqvarna 532 12 01-83 - LAGER
1x
5,81 €
6
Husqvarna 532 12 17-48 - SCHEIBE
1x
4,00 €
6
Husqvarna 532 18 14-42 - ROHR
1x
103,54 €
8
Husqvarna 817 00 06-16 - SCHRAUBE
1x
4,26 €
8
Husqvarna 532 17 18-77 - Bolzen
1x
3,34 €
8
Husqvarna 812 00 00-29 - FEDERRING
1x
0,61 €
9
Husqvarna 532 12 20-82 - REIFEN
1x
124,13 €
9
Husqvarna 532 40 94-69 - ARMATURENBRETT
1x
114,03 €
10
Husqvarna 532 14 02-96 - SCHEIBE
1x
6,13 €
11
Husqvarna 532 18 63-85 - Messer, links 36"/92 cm (Heckauswurf)
1x
27,58 €
14
Husqvarna 810 04 04-00 - SCHEIBE
1x
1,74 €
14
Husqvarna 532 14 84-56 - ROHR
1x
9,54 €
14
Husqvarna 532 12 87-74 - LAGERGEHÄUSE
1x
61,67 €
15
Husqvarna 874 49 05-44 - SCHRAUBE
1x
4,61 €
15
Husqvarna 532 11 04-85 - LAGER
1x
7,65 €
16
Husqvarna 532 18 63-86 - Messer, rechts 36"/92 cm (Heckauswurf)
1x
27,58 €
16
Husqvarna 532 17 61-38 - SCHALTER
1x
15,52 €
16
Husqvarna 873 80 05-00 - MUTTER
1x
1,82 €
17
Husqvarna 532 12 61-97 - SCHEIBE
1x
9,75 €
19
Husqvarna 873 90 05-00 - MUTTER
1x
1,80 €
20
Husqvarna 532 19 42-09 - FEDER
1x
3,46 €
21
Husqvarna 532 40 02-52 - KABELBAUM
1x
20,93 €
21
Husqvarna 532 12 12-74 - KNOPF
1x
7,68 €
22
Husqvarna 532 00 41-52 - LAMPE
1x
3,96 €
22
Husqvarna 873 80 05-00 - MUTTER
1x
1,82 €
26
Husqvarna 532 17 51-58 - Sicherung
1x
3,83 €
28
Husqvarna 532 16 57-87 - Griff
1x
8,95 €
29
Husqvarna 817 00 06-12 - SCHRAUBE
1x
3,89 €
29
Husqvarna 532 13 71-80 - FUNKEN FÄNGER
1x
37,94 €
30
Husqvarna 532 19 33-50 - Zündschloss
1x
27,47 €
30
Husqvarna 532 19 73-76 - SCHIRM
1x
250,89 €
31
Husqvarna 532 18 76-90 - SCHEIBE
1x
2,77 €
32
Husqvarna 532 12 68-75 - NIETE
1x
4,90 €
33
Husqvarna 532 12 34-87 - KLEMME
1x
4,90 €
33
Husqvarna 596 13 48-01 - MUTTER
1x
4,90 €
34
Husqvarna 532 11 07-12 - SCHALTER
1x
12,90 €
35
Husqvarna 532 12 01-83 - LAGER
1x
5,81 €
36
Husqvarna 819 21 16-16 - SCHEIBE
1x
1,93 €
36
Husqvarna 593 78 78-01 - Riemenscheibe
1x
50,49 €
37
Husqvarna 817 49 05-08 - SCHRAUBE
1x
2,90 €
37
Husqvarna 532 13 70-40 - SCHLAUCH
1x
20,71 €
37
Husqvarna 532 15 29-27 - SCHRAUBE
1x
1,94 €
37
Husqvarna 532 17 54-01 - PFROPFEN
1x
4,99 €
38
Husqvarna 817 06 05-16 - SCHRAUBE
1x
3,34 €
39
Husqvarna 532 40 78-07 - HALTER
1x
36,30 €
39
Husqvarna 819 11 38-12 - SCHEIBE
1x
11,50 €
42
Husqvarna 532 41 11-39 - SCHUTZ F.LENKUNG
1x
14,52 €
43
Husqvarna 819 11 10-12 - SCHEIBE
1x
1,74 €
43
Husqvarna 532 12 17-49 - SCHEIBE
1x
2,57 €
44
Husqvarna 817 67 04-12 - SCHRAUBE
1x
3,55 €
44
Husqvarna 532 19 07-52 - ACHSE
1x
18,58 €
45
Husqvarna 817 00 06-12 - SCHRAUBE
1x
3,89 €
46
Husqvarna 819 09 14-16 - SCHEIBE
1x
2,09 €
46
Husqvarna 532 13 77-29 - SCHRAUBE
1x
1,94 €
46
Husqvarna 532 12 12-32 - KAPSEL
1x
3,89 €
46
Husqvarna 872 11 05-10 - BOLZEN
1x
3,52 €
50
Husqvarna 532 11 04-52 - MUTTER
1x
4,90 €
50
Husqvarna 873 80 05-00 - MUTTER
1x
1,82 €
50
Husqvarna 872 11 06-12 - BOLZEN
1x
2,90 €
55
Husqvarna 532 10 57-09 - FEDER
1x
12,74 €
56
Husqvarna 817 06 06-20 - SCHRAUBE
1x
4,40 €
56
Husqvarna 532 16 57-23 - ABSTANDSSCHEIBE
1x
9,00 €
58
Husqvarna 532 40 66-62 - LUEFTUNGSKANAL
1x
35,09 €
64
Husqvarna 532 40 81-27 - SCHALTBRETT
1x
47,28 €
66
Husqvarna 817 49 06-08 - SCHRAUBE
1x
3,52 €
68
Husqvarna 532 40 20-08 - Riemen für Mähdeck A
1x
91,92 €
69
Husqvarna 532 14 24-32 - SCHRAUBE
1x
4,90 €
69
Husqvarna 532 16 54-82 - WELLE
1x
61,70 €
74
Husqvarna 532 13 70-57 - HUELSE
1x
7,27 €
75
Husqvarna 532 12 17-49 - SCHEIBE
1x
2,57 €
76
Husqvarna 812 00 00-01 - FEDERRING
1x
4,90 €
77
Husqvarna 532 12 35-83 - KEIL
1x
6,25 €
78
Husqvarna 532 12 17-48 - SCHEIBE
1x
4,00 €
79
Husqvarna 532 17 52-42 - HALTER
1x
4,57 €
92
Husqvarna 532 19 66-15 - KABELSATZ
1x
9,07 €
93
Husqvarna 532 19 25-40 - SCHRAUBE
1x
2,62 €
94
Husqvarna 532 19 18-34 - MODUL
1x
17,70 €
95
Husqvarna 532 18 89-67 - SCHEIBE
1x
3,95 €
105
Husqvarna 817 12 06-16 - SCHRAUBE
1x
3,52 €
116
Husqvarna 532 18 43-62 - NUT HEX FLANGE TOPLOCK
1x
1,96 €
116
Husqvarna 532 19 34-06 - BOLZEN
1x
4,02 €
122
Husqvarna 532 13 77-29 - SCHRAUBE
1x
1,94 €
124
Husqvarna 872 11 06-12 - BOLZEN
1x
2,90 €
130
Husqvarna 872 11 05-06 - BOLZEN
1x
2,62 €
145
Husqvarna 532 40 91-67 - STANGE
1x
15,65 €
154
Husqvarna 532 40 81-22 - HALTER RECHTS
1x
12,65 €
155
Husqvarna 532 40 81-23 - HALTER LINKS
1x
12,73 €
156
Husqvarna 532 16 60-02 - SCHEIBE
1x
4,90 €
162
Husqvarna 873 68 04-00 - Mutter 1/4-20
1x
1,99 €
163
Husqvarna 874 78 04-16 - BOLZEN
1x
2,44 €
166
Husqvarna 817 49 05-10 - SCHRAUBE
1x
4,90 €
169
Husqvarna 532 16 55-80 - HALTER
1x
4,97 €
171
Husqvarna 817 49 06-08 - SCHRAUBE
1x
3,52 €
171
Husqvarna 817 49 06-08 - SCHRAUBE
1x
3,52 €
184
Husqvarna 532 17 46-62 - BEFESTIGUNG
1x
4,97 €
186
Husqvarna 532 16 56-14 - NABE
1x
6,05 €
187
Husqvarna 817 58 05-20 - * SCHRAUBE
1x
3,52 €
197
Husqvarna 532 16 96-13 - HÜLSE
1x
4,30 €
198
Husqvarna 532 16 89-37 - SCHEIBE
1x
4,90 €
205
Husqvarna 817 49 06-08 - SCHRAUBE
1x
3,52 €
207
Husqvarna 532 16 98-45 - SCHEIBE
1x
4,90 €
208
Husqvarna 817 67 06-08 - SCHRAUBE
1x
3,52 €
209
Husqvarna 817 00 06-12 - SCHRAUBE
1x
3,89 €
212
Husqvarna 532 40 66-65 - EINSATZ LINKS
1x
7,13 €
214
Husqvarna 532 41 10-76 - VERKLEIDUNG
1x
26,16 €
254
Husqvarna 817 00 06-16 - SCHRAUBE
1x
4,26 €
254
Husqvarna 817 00 06-16 - SCHRAUBE
1x
4,26 €
262
Husqvarna 872 11 06-22 - BOLZEN
1x
5,31 €
263
Husqvarna 817 00 06-12 - SCHRAUBE
1x
3,89 €
273
Husqvarna 532 41 10-75 - LUFTLEITER
1x
14,28 €
279
Husqvarna 872 11 06-16 - BOLZEN
1x
4,69 €
297
Husqvarna 532 19 91-45 - Klammer
1x
4,90 €
298
Husqvarna 532 11 04-52 - MUTTER
1x
4,90 €
532 18 63-86
Husqvarna 532 18 63-86 - Messer, rechts 36"/92 cm (Heckauswurf)
1x
27,58 €
532 40 20-08
Husqvarna 532 40 20-08 - Riemen für Mähdeck A
1x
91,92 €
535 41 43-78
Husqvarna 535 41 43-78 - OELFILTER KAWA-ET
1x
28,70 €
535 41 45-48
Husqvarna 535 41 45-48 - LUFTFILTER KAWA-ET
1x
12,04 €

Produktbewertungen unserer Kunden
Unsere Bewertungen sind zu 100% echt.
Bewertungen von Kunden, die ihre Ware nicht bei uns gekauft haben, werden entsprechend gekennzeichnet.
Bewertungen mit diesem Symbol stammen von verifizierten Käufern!
Zu diesem Produkt gibt es noch keine Kundenbewertungen.
Sie können die erste Person sein, die zu diesem Produkt eine Bewertung schreibt.