mein_gartenshop24_de Logo
Unsere Seite verwendet Cookies und ähnliche Technologien, um die Benutzererfahrung auf unserer Website zu verbessern, Inhalte und Anzeigen zu personalisieren und die Nutzung unserer Website zu analysieren. Mit Ihrer Einwilligung stimmen Sie der Verwendung von Cookies sowie der Verarbeitung Ihrer persönlichen Daten zu, um Ihnen ein bestmögliches Surferlebnis und mehr Funktionen zu bieten.

Sie können Ihre Einwilligung jederzeit in den Cookie-Einstellungen anpassen oder widerrufen.
Experten-Beratung Lassen Sie sich von unseren Experten über das Kontaktformular beraten.
Artikelnummer: 4331261
Hier können Sie unsere qualifizierten Fachberater zur Planung Ihrer Bestellung kontaktieren.
Zum Kontaktformular
Hier erhalten Sie allgemeine Informationen zum Bestellprozess, der Lieferung, der Zahlung und mehr.
Zum FAQ
Hier können Sie Feedback zu dieser Seite abgeben oder unerwartete Inhalte und Auffälligkeiten melden.

Husqvarna Gartentraktoren 960510148 Traktor TC 342T

Husqvarna Gartentraktoren 960510148 Traktor TC 342T

Nicht lieferbar
Dieser Artikel ist leider nicht mehr zu bestellen. Wir empfehlen Ihnen eine alternative Artikelwahl aus dieser Kategorie. Wir wünschen Ihnen viel Spaß beim Stöbern.
Andere Produkte der Kategorie Gartengeräte
Artikel-Nr.: 4331261
  • Deutschlands bester Händler
  • Trusted Shops Käuferschutz
  • Rechnungskauf
  • Montageservice

Husqvarna Logo

Husqvarna

Der schwedische Hersteller Husqvarna bietet Ihnen Motorgeräte für die Forst-, Garten- sowie Landschaftspflege. Bereits 1689 begann die Unternehmensgeschichte, damals noch mit der Herstellung von Musketen. Somit profitiert das Unternehmen von mehr als 325 Jahre langer Erfahrung – und somit auch seine Kunden.

Die Zufriedenheit der Kunden ist dem international bekannten Unternehmen besonders wichtig. Daher arbeitet Husqvarna eng mit dem Anwender zusammen, auch nach dem Kauf steht das Unternehmen seinen Käufern mit Rat und Tat zur Seite. Sie können sich bei den Husqvarna Produkten daher auf eine kompromisslose Qualität, Benutzerfreundlichkeit sowie Spitzenleistung verlassen.
 

Garantie

Als unser Kunde genießen Sie auch nach dem Kauf Ihres Husqvarna-Produkts zahlreiche Vorteile! Im Garantiefall sind wir Ihr erster Ansprechpartner und werden Ihnen gerne weiterhelfen. Wir verfügen über eine eigene Hersteller-Werkstatt, sind qualifiziert und berechtigt, im Garantiefall alle nötigen Reparaturen an Ihrem Husqvarna-Gerät durchzuführen.

Das bedeutet für Sie: Sie können sich jederzeit an uns wenden, als Ihr Händler bei dem Sie die Ware gekauft haben sind wir stets die erste Adresse. Selbstverständlich steht es Ihnen jedoch frei, sich an jeden anderen autorisierten Husqvarna-Händler zu wenden.

Gegen Vorlegen Ihres Kaufbeleges (inklusive ausgefüllter Garantiekarte) aus unserem Shop können Sie wohnortnah - in ganz Europa, in der Schweiz und in Großbritannien - Ihr registriertes Produkt zur Garantieüberprüfung vorlegen. Der lokale Husqvarna Servicehändler wird im Garantiefall defekte Teile ausschließlich durch original Husqvarna-Ersatzteile und Zubehör ersetzen. 

 

Husqvarna Händler mit Onlineshop 

Ausschließlich autorisierte, qualifizierte Händler dürfen Husqvarna Produkte verkaufen. So erhalten Sie als Kunde fachgerechte Auskunft zu Ihren Fragen. Wir sind ein autorisierter Husqvarna Fachhändler mit eigener Werkstatt. Vor jeder Auslieferung werden die Geräte entsprechend der Herstellervorgaben geprüft.

 

Stationärer Handel:
Kömpf Baumarkt GmbH
Leibnizstr. 2
75365 Calw

 

Husqvarna Geräte

Husqvarna AB
Regeringsgatan 28
11153 Stockholm
Schweden
verkauf@husqvarna.de
Verantwortliche Person:
Husqvarna Deutschland GmbH
Hans-Lorenser-Strasse 40
89079 Ulm
Deutschland
verkauf@husqvarna.de

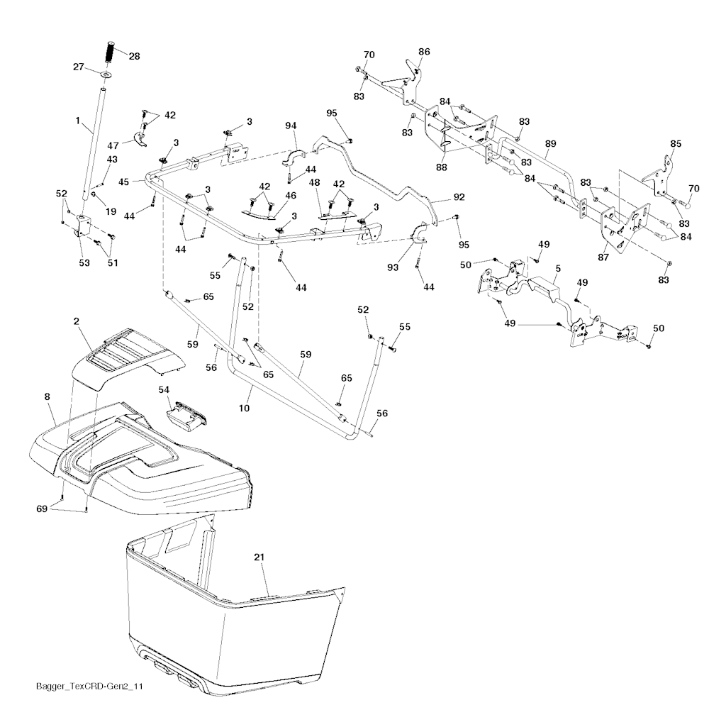
266 von insgesamt 266 eingezeichneten Ersatzteilen in Explosionszeichnung Nr. 1

--
Husqvarna 532 44 14-10 - Kissen
1x
5,90 €
--
Husqvarna 532 44 14-09 - Kissen
1x
40,47 €
1
Husqvarna 532 43 97-40 - LENKRAD
1x
88,81 €
1
Husqvarna 588 55 67-01 - SITZ
1x
249,23 €
1
Husqvarna 532 05 91-92 - Hut
1x
4,90 €
1
Husqvarna 532 42 86-10 - ROHR
1x
28,55 €
2
Husqvarna 532 12 35-83 - KEIL
1x
6,25 €
2
Husqvarna 589 81 87-01 - SCHALLDÄMPFER
1x
115,58 €
2
Husqvarna 532 42 30-62 - HALTEBLECH RECHTS
1x
4,90 €
2
Husqvarna 532 18 01-66 - BEFESTIGUNG
1x
18,87 €
2
Husqvarna 581 57 97-01 - Aufkleber
1x
2,25 €
2
Husqvarna 532 06 51-39 - Nippel
1x
4,91 €
3
Husqvarna 532 44 44-81 - LOGO
1x
10,98 €
3
Husqvarna 532 14 06-75 - STREIFEN
1x
6,41 €
3
Husqvarna 532 17 48-14 - MUTTER
1x
4,90 €
4
Husqvarna 872 11 05-10 - BOLZEN
1x
3,52 €
4
Husqvarna 532 05 99-04 - SCHLAUCH
1x
15,05 €
5
Husqvarna 817 00 05-10 - BOLZEN
1x
2,44 €
5
Husqvarna 532 17 04-55 - REIFEN
1x
48,49 €
5
Husqvarna 532 44 37-62 - RAHMEN
1x
137,58 €
6
Husqvarna 532 12 40-28 - DECKEL
1x
5,06 €
6
Husqvarna 532 00 62-66 - SCHEIBE
1x
1,93 €
6
Husqvarna 581 57 83-01 - Aufkleber
1x
3,21 €
6
Husqvarna 532 00 02-78 - NIPPEL
1x
4,96 €
7
Husqvarna 532 12 17-48 - SCHEIBE
1x
4,00 €
7
Husqvarna 589 48 35-01 - Feder
1x
13,48 €
7
Husqvarna 581 62 73-01 - Logo Motorhaube
1x
7,59 €
7
Husqvarna 532 00 90-40 - Lager
1x
19,10 €
8
Husqvarna 532 17 18-77 - Bolzen
1x
3,34 €
8
Husqvarna 812 00 00-29 - FEDERRING
1x
0,61 €
8
Husqvarna 589 51 47-01 - Folie
1x
5,14 €
9
Husqvarna 501 83 26-02 - Befestigung
1x
15,85 €
9
Husqvarna 532 12 12-32 - KAPSEL
1x
3,89 €
9
Husqvarna 585 69 13-01 - MUTTER
1x
1,95 €
9
Husqvarna 581 57 98-01 - Aufkleber
1x
4,90 €
9
Husqvarna 588 69 19-01 - Reifen
1x
71,20 €
10
Husqvarna 532 19 63-14 - FEDER
1x
3,95 €
10
Husqvarna 532 00 71-52 - Schlauch
1x
21,49 €
10
Husqvarna 532 44 37-55 - RAHMEN
1x
48,34 €
11
Husqvarna 532 13 77-29 - SCHRAUBE
1x
1,94 €
11
Husqvarna 581 57 91-01 - Aufkleber
1x
2,09 €
12
Husqvarna 594 94 44-01 - Mutter 5/16-18
1x
4,90 €
12
Husqvarna 532 40 50-97 - RIEMENSCHEIBE
1x
42,80 €
13
Husqvarna 532 12 17-49 - SCHEIBE
1x
2,57 €
14
Husqvarna 581 57 96-01 - Aufkleber
1x
2,07 €
15
Husqvarna 532 19 59-45 - SEILROLLE
1x
51,29 €
16
Husqvarna 532 17 61-38 - SCHALTER
1x
15,52 €
17
Husqvarna 583 50 87-01 - FEDER
1x
11,53 €
18
Husqvarna 587 52 34-01 - GRILLE
1x
71,44 €
18
Husqvarna 532 44 14-62 - Kappe
1x
23,98 €
18
Husqvarna 532 18 76-90 - SCHEIBE
1x
2,77 €
19
Husqvarna 532 19 47-29 - PLATTE
1x
56,00 €
19
Husqvarna 532 19 42-08 - STIFT
1x
1,21 €
20
Husqvarna 532 42 43-41 - CONTROL THROTTLE
1x
18,86 €
21
Husqvarna 585 43 64-01 - TRAGEGURT
1x
23,62 €
21
Husqvarna 532 17 85-15 - SCHEIBE
1x
5,74 €
21
Husqvarna 587 90 78-01 - Bolzen
1x
1,99 €
21
Husqvarna 581 33 71-03 - Grasfangsack
1x
120,65 €
23
Husqvarna 596 56 40-03 - Bolzen 3/8-16 x 1.78
1x
5,43 €
23
Husqvarna 532 44 46-19 - Folie
1x
3,01 €
24
Husqvarna 532 44 54-93 - Folie
1x
2,69 €
25
Husqvarna 589 32 37-01 - Erdkabel
1x
15,72 €
26
Husqvarna 532 17 51-58 - Sicherung
1x
3,83 €
26
Husqvarna 532 19 96-79 - FEDER
1x
4,90 €
26
Husqvarna 532 43 97-43 - Kappe
1x
11,65 €
27
Husqvarna 592 86 93-01 - Riemen
1x
94,46 €
27
Husqvarna 532 44 55-29 - DICHTSCHEIBE
1x
7,51 €
28
Husqvarna 589 32 36-01 - Erdkabel
1x
15,66 €
28
Husqvarna 817 00 06-12 - SCHRAUBE
1x
3,89 €
28
Husqvarna 532 16 57-87 - Griff
1x
8,95 €
29
Husqvarna 532 40 15-45 - SCHALTER
1x
18,29 €
29
Husqvarna 532 44 27-95 - STANGE
1x
32,89 €
29
Husqvarna 532 13 71-80 - FUNKEN FÄNGER
1x
37,94 €
30
Husqvarna 532 19 33-50 - Zündschloss
1x
27,47 €
31
Husqvarna 587 35 84-01 - Feder
1x
9,66 €
33
Husqvarna Zündschlüssel Gartentraktor
1x
9,67 €
33
Husqvarna 812 00 00-01 - FEDERRING
1x
4,90 €
33
Husqvarna 587 81 97-01 - Dorn
1x
148,81 €
34
Husqvarna 532 11 07-12 - SCHALTER
1x
12,90 €
35
Husqvarna Messer für Gartentraktoren I
1x
28,05 €
35
Husqvarna 532 19 47-32 - PLATTE
1x
56,01 €
37
Husqvarna 532 18 89-67 - SCHEIBE
1x
3,95 €
37
Husqvarna 532 12 34-87 - KLEMME
1x
4,90 €
38
Husqvarna 532 16 96-13 - HÜLSE
1x
4,30 €
39
Husqvarna 581 52 65-01 - SCHEIBE
1x
4,90 €
40
Husqvarna 595 08 81-02 - Einstellhebel
1x
8,90 €
41
Husqvarna 532 12 61-97 - SCHEIBE
1x
9,75 €
41
Husqvarna 532 19 82-00 - FEDER
1x
2,36 €
42
Husqvarna 532 00 88-83 - PEDALGUMMI
1x
8,66 €
42
Husqvarna 532 44 04-28 - KLAMMER
1x
1,67 €
43
Husqvarna 582 04 28-02 - Elektromagnet
1x
19,06 €
43
Husqvarna 532 44 32-39 - RIEMENSCHEIBE
1x
49,44 €
43
Husqvarna 532 12 68-75 - NIETE
1x
4,90 €
44
Husqvarna Riemenscheibe des Riemenantrieb A
1x
20,11 €
44
Husqvarna 501 05 18-01 - Scheibe
1x
3,83 €
44
Husqvarna 532 19 96-87 - SCHRAUBE
1x
2,44 €
45
Husqvarna 587 01 64-01 - SCHEIBE
1x
4,90 €
45
Husqvarna 532 44 37-54 - RAHMEN
1x
112,24 €
46
Husqvarna 532 44 55-41 - KONTAKTSTÜCK
1x
5,28 €
47
Husqvarna 532 44 40-79 - KONTAKTSTÜCK
1x
4,20 €
48
Husqvarna 532 44 40-80 - PLATTE
1x
4,34 €
49
Husqvarna 532 17 18-73 - BOLZEN
1x
3,52 €
50
Husqvarna 532 17 18-77 - Bolzen
1x
3,34 €
50
Husqvarna 532 19 43-27 - RIEMENSCHEIBE
1x
39,87 €
51
Husqvarna 872 11 05-06 - BOLZEN
1x
2,62 €
52
Husqvarna 532 19 43-26 - RIEMENSCHEIBE
1x
39,46 €
53
Husqvarna 532 18 89-67 - SCHEIBE
1x
3,95 €
53
Husqvarna 532 44 41-95 - HALTER
1x
16,31 €
54
Husqvarna 532 44 72-18 - EINSTELLHEBEL
1x
28,91 €
56
Husqvarna 532 42 03-06 - STIFT
1x
4,01 €
58
Husqvarna 532 19 47-47 - BOLZEN
1x
9,97 €
59
Husqvarna 532 19 47-48 - SCHEIBE
1x
3,76 €
59
Husqvarna 532 44 47-63 - ROHR
1x
22,00 €
60
Husqvarna 596 13 49-01 - Scheibe
1x
5,90 €
62
Husqvarna 532 43 40-17 - SCHIRM
1x
15,46 €
64
Husqvarna 532 19 78-65 - WELLE
1x
47,72 €
64
Husqvarna 532 19 98-49 - FEDER
1x
2,67 €
65
Husqvarna 532 00 44-97 - Klammer
1x
1,38 €
66
Husqvarna 871 02 07-48 - SCHRAUBE
1x
6,19 €
68
Husqvarna 873 90 07-00 - MUTTER
1x
3,38 €
69
Husqvarna 532 19 91-62 - SCHEIBE
1x
6,27 €
70
Husqvarna 817 00 06-12 - SCHRAUBE
1x
3,89 €
70
Husqvarna 585 33 88-01 - Halter
1x
25,56 €
72
Husqvarna 581 45 41-03 - AUSWURFROHR
1x
80,82 €
75
Husqvarna 597 02 50-01 - Riemenscheibe
1x
46,99 €
76
Husqvarna 580 68 36-01 - Schraube
1x
4,90 €
78
Husqvarna 593 78 78-01 - Riemenscheibe
1x
50,49 €
81
Husqvarna 532 14 84-56 - ROHR
1x
9,54 €
84
Husqvarna 532 44 32-35 - BEFESTIGUNG
1x
16,64 €
85
Husqvarna Messer für Gartentraktoren J
1x
27,73 €
85
Husqvarna 581 31 44-02 - HALTER
1x
12,89 €
86
Husqvarna 532 18 43-62 - NUT HEX FLANGE TOPLOCK
1x
1,96 €
86
Husqvarna 581 31 43-02 - HALTER
1x
10,42 €
87
Husqvarna 532 19 42-09 - FEDER
1x
3,46 €
87
Husqvarna 581 31 48-02 - HALTER
1x
12,25 €
88
Husqvarna 532 14 02-96 - SCHEIBE
1x
6,13 €
88
Husqvarna 532 44 54-96 - FEDER
1x
16,34 €
88
Husqvarna 581 31 47-02 - HALTER
1x
12,25 €
89
Husqvarna 819 19 19-12 - SCHEIBE
1x
3,56 €
89
Husqvarna 581 31 51-04 - TUBE ASSY
1x
12,70 €
90
Husqvarna 817 00 06-16 - SCHRAUBE
1x
4,26 €
90
Husqvarna 532 19 42-08 - STIFT
1x
1,21 €
92
Husqvarna 817 12 06-16 - SCHRAUBE
1x
3,52 €
92
Husqvarna 586 05 23-02 - HALTER
1x
26,48 €
93
Husqvarna 586 05 24-02 - HALTER
1x
8,13 €
94
Husqvarna 586 05 25-02 - HALTER
1x
8,04 €
97
Husqvarna 817 67 04-12 - SCHRAUBE
1x
3,55 €
98
Husqvarna 581 50 69-03 - Gelenk
1x
14,70 €
99
Husqvarna 532 44 39-47 - STANGE
1x
11,90 €
99
Husqvarna 529 84 64-01- ARM
1x
26,60 €
100
Husqvarna 532 19 65-39 - BOLZEN
1x
4,83 €
101
Husqvarna 532 40 70-03 - ANSCHLUSS
1x
13,35 €
102
Husqvarna 532 44 12-62 - TRAGEGURT KPL.
1x
9,32 €
105
Husqvarna 532 40 75-68 - SCHALTER
1x
18,22 €
105
Husqvarna 532 44 47-55 - DECKEL
1x
28,37 €
108
Husqvarna 589 50 03-01 - Schalter
1x
17,29 €
108
Husqvarna 587 17 95-10 - Deckel
1x
48,56 €
116
Husqvarna 539 13 26-24 - KNOB - SHIFT
1x
9,65 €
119
Husqvarna 596 32 26-01 - MUTTER
1x
2,99 €
122
Husqvarna 532 16 57-23 - ABSTANDSSCHEIBE
1x
9,00 €
127
Husqvarna 596 43 44-04 - Bolzen
1x
4,15 €
128
Husqvarna 589 52 73-01 - Laufrad
1x
17,59 €
129
Husqvarna 532 44 32-37 - STANGE
1x
17,74 €
131
Husqvarna 532 19 42-08 - STIFT
1x
1,21 €
135
Husqvarna 532 43 79-88 - E-Ring
1x
5,32 €
137
Husqvarna 532 40 75-90 - GUMMI
1x
4,70 €
137
Husqvarna 532 44 14-61 - Tankdeckel
1x
9,99 €
137
Husqvarna 812 00 00-29 - FEDERRING
1x
0,61 €
140
Husqvarna 501 58 00-01 - SCHUTZ
1x
60,73 €
141
Husqvarna 501 57 96-02 - SCHUTZ
1x
60,73 €
142
Husqvarna 583 85 78-01 - TRAGEGURT
1x
31,09 €
150
Husqvarna 532 43 97-74 - LUFTKANAL
1x
41,03 €
151
Husqvarna 532 43 66-70 - HALTER
1x
49,40 €
152
Husqvarna 532 43 98-70 - SCHIRM
1x
51,93 €
154
Husqvarna 532 19 98-55 - SCHRAUBE
1x
4,90 €
159
Husqvarna 585 30 94-05 - VERSTÄRKUNGSPLATTE
1x
4,99 €
160
Husqvarna 596 02 94-01 - STIFT
1x
4,43 €
160
Husqvarna 585 30 95-05 - VERSTÄRKUNGSPLATTE
1x
8,50 €
161
Husqvarna 532 10 57-09 - FEDER
1x
12,74 €
161
Husqvarna 585 31 60-05 - VERSTÄRKUNGSPLATTE
1x
3,63 €
162
Husqvarna 585 31 61-05 - VERSTÄRKUNGSPLATTE
1x
8,63 €
164
Husqvarna 589 35 85-02 - ZWISCHENWAND
1x
50,22 €
165
Husqvarna 587 42 61-02 - PLATTE
1x
31,75 €
166
Husqvarna 532 42 91-64 - MUTTER
1x
4,90 €
167
Husqvarna 532 40 52-57 - BREMSSTUECK
1x
4,06 €
175
Husqvarna 590 60 77-02 - QUERTRÄGER
1x
46,46 €
175
Husqvarna 532 44 18-23 - WELLE
1x
24,63 €
176
Husqvarna 532 40 07-76 - SCHRAUBE
1x
4,90 €
177
Husqvarna 532 19 52-28 - BUCHSE
1x
9,62 €
182
Husqvarna 532 40 68-59 - SCHALTBRETT
1x
132,49 €
183
Husqvarna 532 13 70-57 - HUELSE
1x
7,27 €
184
Husqvarna 587 65 37-01 - EINSTELLHEBEL
1x
10,58 €
185
Husqvarna 872 11 06-22 - BOLZEN
1x
5,31 €
186
Husqvarna 532 19 43-21 - ABSTANDSSTÜCK
1x
10,59 €
191
Husqvarna 586 18 28-01 - Reflektor
1x
4,97 €
195
Husqvarna 532 40 41-37 - TROU*RPL.PAR 532401556428
1x
3,01 €
195
Husqvarna 580 45 69-01 - Halter
1x
7,09 €
196
Husqvarna 817 00 06-16 - SCHRAUBE
1x
4,26 €
198
Husqvarna 532 44 15-52 - INDIKATOR
1x
13,92 €
202
Husqvarna 532 43 97-28 - DECKEL
1x
22,78 €
203
Husqvarna 532 43 97-27 - DECKEL
1x
23,03 €
204
Husqvarna 587 48 58-01 - VENT
1x
31,26 €
205
Husqvarna 532 43 97-30 - SKIRT
1x
21,07 €
205
Husqvarna 532 12 17-48 - SCHEIBE
1x
4,00 €
206
Husqvarna 532 43 97-29 - SKIRT
1x
25,64 €
206
Husqvarna 532 44 85-96 - HALTER
1x
7,25 €
207
Husqvarna 585 42 00-02 - Blende rechts
1x
16,81 €
208
Husqvarna 585 42 01-02 - Blende links
1x
16,81 €
210
Husqvarna 532 40 09-80 - PEDALARM
1x
31,07 €
211
Husqvarna 532 12 01-83 - LAGER
1x
5,81 €
213
Husqvarna 532 40 31-19 - BEDIENELEMENT
1x
9,77 €
214
Husqvarna 532 19 91-45 - Klammer
1x
4,90 €
214
Husqvarna 532 42 12-63 - KISSEN
1x
9,94 €
215
Husqvarna 586 60 65-02 - PEDALGUMMI
1x
31,07 €
217
Husqvarna 532 40 91-67 - STANGE
1x
15,65 €
218
Husqvarna 532 19 63-95 - PLATTE
1x
10,17 €
221
Husqvarna 532 40 31-87 - FEDER
1x
2,62 €
222
Husqvarna 879 21 20-10 - SCHEIBE
1x
3,83 €
226
Husqvarna 532 40 15-64 - HALTER
1x
15,79 €
236
Husqvarna 873 93 05-00 - MUTTER
1x
4,90 €
246
Husqvarna 582 05 20-01 - Feder
1x
2,57 €
247
Husqvarna 582 55 26-02 - Spannband
1x
11,04 €
249
Husqvarna 586 93 60-01 - SCHRAUBE
1x
1,09 €
252
Husqvarna 581 99 22-04 - Halter
1x
6,79 €
257
Husqvarna 589 74 66-02 - Sperrhaken kpl.
1x
22,67 €
258
Husqvarna 589 74 67-02 - Sperrhaken kpl.
1x
22,67 €
258
Husqvarna 584 95 39-01 - Bolzen
1x
4,43 €
282
Husqvarna 532 41 41-10 - CLIP
1x
4,90 €
283
Husqvarna 532 44 72-12 - Befestigung
1x
65,10 €
284
Husqvarna 532 44 72-20 - Befestigung
1x
60,83 €
287
Husqvarna 817 60 04-06 - SCHRAUBE
1x
4,90 €
296
Husqvarna 585 42 05-01 - LIGHT
1x
42,03 €
297
Husqvarna 586 18 29-01 - Reflektor
1x
5,51 €
299
Husqvarna 585 42 04-01 - LIGHT
1x
42,03 €
307
Husqvarna 587 49 45-01 - Schirm
1x
27,01 €
308
Husqvarna 532 17 18-77 - Bolzen
1x
3,34 €
309
Husqvarna 582 55 25-02 - Backplate
1x
145,16 €
309
Husqvarna 532 16 55-80 - HALTER
1x
4,97 €
311
Husqvarna 532 16 98-45 - SCHEIBE
1x
4,90 €
312
Husqvarna 532 16 56-14 - NABE
1x
6,05 €
315
Husqvarna 817 58 05-20 - * SCHRAUBE
1x
3,52 €
319
Husqvarna 581 31 39-07 - Hebel
1x
9,27 €
334
Husqvarna 532 44 25-37 - Halter
1x
29,76 €
335
Husqvarna 532 44 82-04 - DECKEL
1x
31,30 €
335
Husqvarna Riemenscheibe des Riemenantrieb A
1x
20,11 €
336
Husqvarna 532 44 53-09 - DECKEL
1x
31,40 €
339
Husqvarna 532 43 68-67 - Spannband
1x
8,08 €
340
Husqvarna 582 55 27-02 - Tür
1x
33,19 €
341
Husqvarna 582 06 08-01 - Sperrhaken
1x
5,08 €
342
Husqvarna 582 82 68-02 - Halter
1x
29,82 €
343
Husqvarna 532 44 07-49 - Klammer
1x
4,90 €
343
Husqvarna 594 94 44-01 - Mutter 5/16-18
1x
4,90 €
347
Husqvarna 532 44 28-87 - HAKEN
1x
22,25 €
350
Husqvarna 532 44 51-43 - KLAMMER
1x
4,90 €
355
Husqvarna 532 43 56-69 - SPANNBAND
1x
11,40 €
360
Husqvarna 532 44 47-14 - MUTTER
1x
4,90 €
363
Husqvarna 532 44 27-80 - ABSTANDSSCHEIBE
1x
6,26 €
368
Husqvarna 581 42 48-01 - DECKEL
1x
4,90 €
370
Husqvarna 817 12 06-16 - SCHRAUBE
1x
3,52 €
372
Husqvarna 582 65 49-01 - BEFESTIGUNG
1x
18,54 €
375
Husqvarna 586 90 82-01 - Stossfänger
1x
4,70 €
378
Husqvarna 590 84 98-01 - BUSHING
1x
4,69 €
490657007
Husqvarna 578 15 92-01 - Ölfilter
1x
28,70 €
532180583
Husqvarna Messer für Gartentraktoren I
1x
28,05 €
532180584
Husqvarna Messer für Gartentraktoren J
1x
27,73 €
592869301
Husqvarna 592 86 93-01 - Riemen
1x
94,46 €

Produktbewertungen unserer Kunden
Unsere Bewertungen sind zu 100% echt.
Bewertungen von Kunden, die ihre Ware nicht bei uns gekauft haben, werden entsprechend gekennzeichnet.
Bewertungen mit diesem Symbol stammen von verifizierten Käufern!
Zu diesem Produkt gibt es noch keine Kundenbewertungen.
Sie können die erste Person sein, die zu diesem Produkt eine Bewertung schreibt.