mein_gartenshop24_de Logo
Unsere Seite verwendet Cookies und ähnliche Technologien, um die Benutzererfahrung auf unserer Website zu verbessern, Inhalte und Anzeigen zu personalisieren und die Nutzung unserer Website zu analysieren. Mit Ihrer Einwilligung stimmen Sie der Verwendung von Cookies sowie der Verarbeitung Ihrer persönlichen Daten zu, um Ihnen ein bestmögliches Surferlebnis und mehr Funktionen zu bieten.

Sie können Ihre Einwilligung jederzeit in den Cookie-Einstellungen anpassen oder widerrufen.
Experten-Beratung Lassen Sie sich von unseren Experten über das Kontaktformular beraten.
Artikelnummer: 4331292
Hier können Sie unsere qualifizierten Fachberater zur Planung Ihrer Bestellung kontaktieren.
Zum Kontaktformular
Hier erhalten Sie allgemeine Informationen zum Bestellprozess, der Lieferung, der Zahlung und mehr.
Zum FAQ
Hier können Sie Feedback zu dieser Seite abgeben oder unerwartete Inhalte und Auffälligkeiten melden.

Husqvarna Gartentraktoren 960410420 TS 138M

Husqvarna Gartentraktoren 960410420 TS 138M

Nicht lieferbar
Dieser Artikel ist leider nicht mehr zu bestellen. Wir empfehlen Ihnen eine alternative Artikelwahl aus dieser Kategorie. Wir wünschen Ihnen viel Spaß beim Stöbern.
Andere Produkte der Kategorie Gartengeräte
Artikel-Nr.: 4331292
  • Deutschlands bester Händler
  • Trusted Shops Käuferschutz
  • Rechnungskauf
  • Montageservice

Husqvarna Logo

Husqvarna

Der schwedische Hersteller Husqvarna bietet Ihnen Motorgeräte für die Forst-, Garten- sowie Landschaftspflege. Bereits 1689 begann die Unternehmensgeschichte, damals noch mit der Herstellung von Musketen. Somit profitiert das Unternehmen von mehr als 325 Jahre langer Erfahrung – und somit auch seine Kunden.

Die Zufriedenheit der Kunden ist dem international bekannten Unternehmen besonders wichtig. Daher arbeitet Husqvarna eng mit dem Anwender zusammen, auch nach dem Kauf steht das Unternehmen seinen Käufern mit Rat und Tat zur Seite. Sie können sich bei den Husqvarna Produkten daher auf eine kompromisslose Qualität, Benutzerfreundlichkeit sowie Spitzenleistung verlassen.
 

Garantie

Als unser Kunde genießen Sie auch nach dem Kauf Ihres Husqvarna-Produkts zahlreiche Vorteile! Im Garantiefall sind wir Ihr erster Ansprechpartner und werden Ihnen gerne weiterhelfen. Wir verfügen über eine eigene Hersteller-Werkstatt, sind qualifiziert und berechtigt, im Garantiefall alle nötigen Reparaturen an Ihrem Husqvarna-Gerät durchzuführen.

Das bedeutet für Sie: Sie können sich jederzeit an uns wenden, als Ihr Händler bei dem Sie die Ware gekauft haben sind wir stets die erste Adresse. Selbstverständlich steht es Ihnen jedoch frei, sich an jeden anderen autorisierten Husqvarna-Händler zu wenden.

Gegen Vorlegen Ihres Kaufbeleges (inklusive ausgefüllter Garantiekarte) aus unserem Shop können Sie wohnortnah - in ganz Europa, in der Schweiz und in Großbritannien - Ihr registriertes Produkt zur Garantieüberprüfung vorlegen. Der lokale Husqvarna Servicehändler wird im Garantiefall defekte Teile ausschließlich durch original Husqvarna-Ersatzteile und Zubehör ersetzen. 

 

Husqvarna Händler mit Onlineshop 

Ausschließlich autorisierte, qualifizierte Händler dürfen Husqvarna Produkte verkaufen. So erhalten Sie als Kunde fachgerechte Auskunft zu Ihren Fragen. Wir sind ein autorisierter Husqvarna Fachhändler mit eigener Werkstatt. Vor jeder Auslieferung werden die Geräte entsprechend der Herstellervorgaben geprüft.

 

Stationärer Handel:
Kömpf Baumarkt GmbH
Leibnizstr. 2
75365 Calw

 

Husqvarna Geräte

Husqvarna AB
Regeringsgatan 28
11153 Stockholm
Schweden
verkauf@husqvarna.de
Verantwortliche Person:
Husqvarna Deutschland GmbH
Hans-Lorenser-Strasse 40
89079 Ulm
Deutschland
verkauf@husqvarna.de

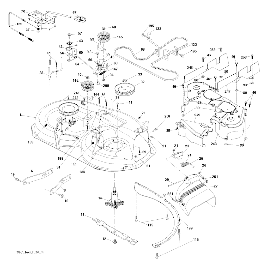
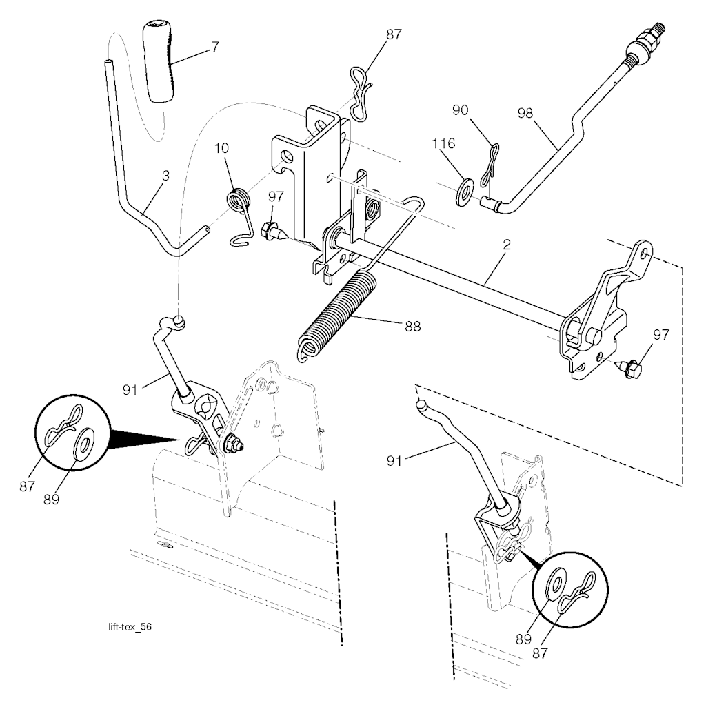
218 von insgesamt 218 eingezeichneten Ersatzteilen in Explosionszeichnung Nr. 1

- -
Husqvarna 581 72 46-01 - Folie
1x
4,90 €
- -
Husqvarna 532 43 96-81 - FOOT PLATE
1x
22,26 €
- -
Husqvarna 532 43 99-66 - KISSEN
1x
31,88 €
1
Husqvarna 586 04 73-02 - Folie
1x
2,15 €
1
Husqvarna 532 05 91-92 - Hut
1x
4,90 €
1
Husqvarna 532 43 99-97 - Lenkrad
1x
78,19 €
2
Husqvarna 532 06 51-39 - Nippel
1x
4,91 €
2
Husqvarna 874 76 04-12 - SCHRAUBE
1x
1,70 €
2
Husqvarna 532 12 35-83 - KEIL
1x
6,25 €
2
Husqvarna 532 17 97-58 - * AUSPUFF
1x
130,52 €
2
Husqvarna 532 18 01-66 - BEFESTIGUNG
1x
18,87 €
2
Husqvarna 532 42 20-27 - WELLE
1x
111,40 €
3
Husqvarna 581 57 97-01 - Aufkleber
1x
2,25 €
3
Husqvarna 532 19 52-31 - HEBELARM
1x
24,93 €
4
Husqvarna 532 05 99-04 - SCHLAUCH
1x
15,05 €
5
Husqvarna 581 57 96-01 - Aufkleber
1x
2,07 €
6
Husqvarna 586 06 62-01 - Aufkleber
1x
4,90 €
6
Husqvarna 532 00 02-78 - NIPPEL
1x
4,96 €
6
Husqvarna 532 00 62-66 - SCHEIBE
1x
1,93 €
6
Husqvarna 529 84 64-01- ARM
1x
26,60 €
7
Husqvarna 532 00 90-40 - Lager
1x
19,10 €
7
Husqvarna 532 12 17-48 - SCHEIBE
1x
4,00 €
7
Husqvarna 589 48 35-01 - Feder
1x
13,48 €
8
Husqvarna 532 19 32-28 - KISTE
1x
39,82 €
8
Husqvarna 532 17 18-77 - Bolzen
1x
3,34 €
8
Husqvarna 812 00 00-29 - FEDERRING
1x
0,61 €
9
Husqvarna 582 54 03-02 - BEFESTIGUNG
1x
8,63 €
9
Husqvarna 532 12 12-32 - KAPSEL
1x
3,89 €
10
Husqvarna 532 00 71-52 - Schlauch
1x
21,49 €
10
Husqvarna 532 19 63-14 - FEDER
1x
3,95 €
11
Husqvarna 581 57 92-01 - Folie
1x
4,90 €
12
Husqvarna 581 58 00-03 - Folie
1x
4,90 €
12
Husqvarna 586 72 90-01 - RIEMENSCHEIBE
1x
24,40 €
13
Husqvarna 532 12 17-49 - SCHEIBE
1x
2,57 €
14
Husqvarna 581 57 98-01 - Aufkleber
1x
4,90 €
14
Husqvarna 532 44 12-67 - Haube
1x
112,26 €
14
Husqvarna 587 81 97-01 - Dorn
1x
148,81 €
15
Husqvarna 581 28 99-01 - Kraftstofftank
1x
52,84 €
16
Husqvarna 532 17 61-38 - SCHALTER
1x
15,52 €
17
Husqvarna 584 90 46-01 - Folie
1x
2,39 €
17
Husqvarna 532 19 72-97 - FEDER
1x
8,27 €
19
Husqvarna 532 19 47-29 - PLATTE
1x
56,00 €
19
Husqvarna 532 19 65-39 - BOLZEN
1x
4,83 €
20
Husqvarna 587 24 26-01 - DROSSELKLAPPE
1x
11,72 €
20
Husqvarna 532 44 14-25 - Hut
1x
10,89 €
21
Husqvarna 532 40 02-52 - KABELBAUM
1x
20,93 €
21
Husqvarna 587 90 78-01 - Bolzen
1x
1,99 €
22
Husqvarna 532 00 41-52 - LAMPE
1x
3,96 €
22
Husqvarna 532 19 76-60 - STANGE
1x
46,24 €
23
Husqvarna 532 12 12-74 - KNOPF
1x
7,68 €
23
Husqvarna 532 19 25-57 - SCHARNIER
1x
9,37 €
24
Husqvarna 532 10 53-04 - RADKAPPE
1x
2,77 €
25
Husqvarna 581 49 80-01 - KABEL
1x
10,42 €
25
Husqvarna 532 19 70-26 - TORSIONSFEDER
1x
8,60 €
26
Husqvarna 532 17 51-58 - Sicherung
1x
3,83 €
26
Husqvarna 532 19 74-55 - FEDER
1x
2,78 €
26
Husqvarna 532 43 97-43 - Kappe
1x
11,65 €
26
Husqvarna 532 11 04-52 - MUTTER
1x
4,90 €
28
Husqvarna 532 42 16-86 - KABEL
1x
19,00 €
28
Husqvarna 817 00 06-12 - SCHRAUBE
1x
3,89 €
28
Husqvarna 532 13 70-40 - SCHLAUCH
1x
20,71 €
29
Husqvarna 532 40 15-45 - SCHALTER
1x
18,29 €
29
Husqvarna 532 13 71-80 - FUNKEN FÄNGER
1x
37,94 €
30
Husqvarna 532 19 33-50 - Zündschloss
1x
27,47 €
32
Husqvarna 531 17 00-01 - RIEMENSCHEIBE
1x
39,53 €
33
Husqvarna Zündschlüssel Gartentraktor
1x
9,67 €
33
Husqvarna 812 00 00-01 - FEDERRING
1x
4,90 €
33
Husqvarna 812 00 00-01 - FEDERRING
1x
4,90 €
33
Husqvarna 539 99 01-87 - Scheibe
1x
1,74 €
34
Husqvarna 532 11 07-12 - SCHALTER
1x
12,90 €
34
Husqvarna 580 91 08-01 - RAHMEN
1x
87,11 €
35
Husqvarna 532 19 47-32 - PLATTE
1x
56,01 €
35
Husqvarna 532 13 38-35 - XMAS TREE FASTNER
1x
4,90 €
37
Husqvarna 532 44 12-66 - RADABDECKUNG
1x
251,11 €
37
Husqvarna 532 12 17-49 - SCHEIBE
1x
2,57 €
37
Husqvarna 532 12 34-87 - KLEMME
1x
4,90 €
38
Husqvarna 532 19 95-41 - RIEMENFÜHRUNG
1x
30,00 €
40
Husqvarna 581 02 31-01 - TRAGEGURT
1x
50,84 €
40
Husqvarna 595 08 81-02 - Einstellhebel
1x
8,90 €
41
Husqvarna 584 95 39-01 - Bolzen
1x
4,43 €
41
Husqvarna 532 19 82-00 - FEDER
1x
2,36 €
42
Husqvarna 532 00 88-83 - PEDALGUMMI
1x
8,66 €
42
Husqvarna 532 19 84-10 - FEDER
1x
3,40 €
43
Husqvarna 582 04 28-02 - Elektromagnet
1x
19,06 €
43
Husqvarna 532 19 72-56 - FEDER
1x
3,40 €
44
Husqvarna 501 05 18-01 - Scheibe
1x
3,83 €
45
Husqvarna 596 04 00-01 - Scheibe 11/32 x 2-3/8
1x
11,50 €
46
Husqvarna 594 91 91-01 - Stundenzähler
1x
23,45 €
46
Husqvarna 532 13 77-29 - SCHRAUBE
1x
1,94 €
46
Husqvarna 588 09 04-01 - BOLZEN
1x
3,05 €
50
Husqvarna 532 19 43-27 - RIEMENSCHEIBE
1x
39,87 €
52
Husqvarna 532 19 43-26 - RIEMENSCHEIBE
1x
39,46 €
53
Husqvarna 532 18 89-67 - SCHEIBE
1x
3,95 €
55
Husqvarna 532 19 72-49 - ARM
1x
13,26 €
56
Husqvarna 532 19 43-46 - RIEMEN
1x
55,12 €
56
Husqvarna 532 19 90-92 - ABSTANDSSCHEIBE
1x
5,39 €
57
Husqvarna 817 00 06-16 - SCHRAUBE
1x
4,26 €
57
Husqvarna 532 40 74-65 - HALTER
1x
10,14 €
58
Husqvarna 532 41 22-80 - PLATTE
1x
97,93 €
58
Husqvarna 532 19 47-47 - BOLZEN
1x
9,97 €
59
Husqvarna 532 19 47-48 - SCHEIBE
1x
3,76 €
59
Husqvarna 532 14 10-43 - SCHUTZ
1x
6,13 €
60
Husqvarna 532 19 94-71 - ARM
1x
10,72 €
61
Husqvarna 532 12 36-66 - RIEMENSCHEIBE
1x
75,54 €
63
Husqvarna 532 19 94-70 - ARM
1x
16,22 €
64
Husqvarna 532 19 62-00 - WELLE
1x
88,90 €
64
Husqvarna 532 19 98-49 - FEDER
1x
2,67 €
64
Husqvarna 532 19 97-90 - GELENK
1x
8,04 €
66
Husqvarna 871 02 07-48 - SCHRAUBE
1x
6,19 €
67
Husqvarna 532 40 30-12 - HANDGRIFF
1x
10,69 €
68
Husqvarna 873 90 07-00 - MUTTER
1x
3,38 €
68
Husqvarna 532 40 83-81 - RIEMEN
1x
57,17 €
69
Husqvarna 532 19 91-62 - SCHEIBE
1x
6,27 €
70
Husqvarna 585 33 88-01 - Halter
1x
25,56 €
70
Husqvarna 532 40 12-46 - KUPPLUNG
1x
56,04 €
71
Husqvarna 501 13 37-01 - TRAGEGURT
1x
74,02 €
71
Husqvarna 532 19 07-52 - ACHSE
1x
18,58 €
72
Husqvarna 596 03 97-01 - Bolzen 5/16-18unc x 4 ''
1x
5,83 €
74
Husqvarna 532 00 33-66 - LAGER
1x
5,03 €
76
Husqvarna 580 68 36-01 - Schraube
1x
4,90 €
79
Husqvarna 532 17 52-42 - HALTER
1x
4,57 €
79
Husqvarna 596 13 42-01 - SCHRAUBE
1x
2,90 €
80
Husqvarna 532 42 30-62 - HALTEBLECH RECHTS
1x
4,90 €
84
Husqvarna 817 06 06-20 - SCHRAUBE
1x
4,40 €
85
Husqvarna 501 60 65-01 - Bolzen
1x
1,74 €
87
Husqvarna 532 19 78-02 - SCHALTER
1x
13,74 €
87
Husqvarna 532 19 42-09 - FEDER
1x
3,46 €
88
Husqvarna 532 41 07-10 - FEDER
1x
14,29 €
89
Husqvarna 819 19 19-12 - SCHEIBE
1x
3,56 €
90
Husqvarna 532 43 53-95 - POLABDECKUNG
1x
4,43 €
90
Husqvarna 817 00 06-16 - SCHRAUBE
1x
4,26 €
90
Husqvarna 532 19 42-08 - STIFT
1x
1,21 €
91
Husqvarna 589 46 48-07 - GESTAENGE HINTEN
1x
19,90 €
92
Husqvarna 532 19 66-15 - KABELSATZ
1x
9,07 €
94
Husqvarna 532 19 18-34 - MODUL
1x
17,70 €
97
Husqvarna 817 67 04-12 - SCHRAUBE
1x
3,55 €
97
Husqvarna 817 00 06-12 - SCHRAUBE
1x
3,89 €
99
Husqvarna 817 67 04-12 - SCHRAUBE
1x
3,55 €
105
Husqvarna 501 26 72-02 - HANDSCHUTZ
1x
18,15 €
106
Husqvarna 532 17 48-14 - MUTTER
1x
4,90 €
106
Husqvarna 501 26 82-02 - HANDSCHUTZ
1x
18,15 €
108
Husqvarna 587 17 95-09 - DECKEL
1x
48,56 €
115
Husqvarna 872 11 05-05 - Bolzen
1x
4,90 €
122
Husqvarna 532 42 19-22 - OELABLAUF
1x
4,94 €
123
Husqvarna 531 16 97-01 - RIEMENFÜHRUNG
1x
12,01 €
125
Husqvarna 581 68 48-01 - KLAMMER
1x
4,90 €
134
Husqvarna 532 19 78-57 - STANGE
1x
11,86 €
137
Husqvarna 532 40 75-90 - GUMMI
1x
4,70 €
138
Husqvarna 532 43 97-47 - Halter
1x
4,90 €
144
Husqvarna 531 14 89-01 - RIEMENFÜHRUNG
1x
4,88 €
145
Husqvarna 532 19 31-97 - RIEMENSCHEIBE
1x
54,49 €
146
Husqvarna 581 85 79-01 - BOLZEN
1x
4,90 €
147
Husqvarna 532 40 18-72 - FEDER
1x
6,08 €
150
Husqvarna 532 40 66-62 - LUEFTUNGSKANAL
1x
35,09 €
151
Husqvarna 532 40 78-07 - HALTER
1x
36,30 €
152
Husqvarna 532 19 95-35 - ABDECKUNG
1x
33,96 €
152
Husqvarna 532 43 51-11 - KABEL
1x
60,69 €
155
Husqvarna 812 00 00-28 - Federring
1x
4,90 €
157
Husqvarna 532 10 57-01 - DICHTPLATTE
1x
2,27 €
159
Husqvarna 817 00 06-12 - SCHRAUBE
1x
3,89 €
160
Husqvarna 596 02 94-01 - STIFT
1x
4,43 €
161
Husqvarna 532 10 57-09 - FEDER
1x
12,74 €
165
Husqvarna 532 19 62-12 - BUCHSE
1x
7,87 €
166
Husqvarna 532 42 91-64 - MUTTER
1x
4,90 €
167
Husqvarna 532 40 52-57 - BREMSSTUECK
1x
4,06 €
172
Husqvarna 532 19 76-57 - SPANNBAND
1x
11,19 €
174
Husqvarna 532 19 72-89 - MUTTER
1x
4,90 €
175
Husqvarna 532 19 94-72 - PLATTE
1x
43,83 €
175
Husqvarna 532 19 78-58 - WELLE
1x
65,37 €
176
Husqvarna 532 40 07-76 - SCHRAUBE
1x
4,90 €
176
Husqvarna 532 19 62-14 - ARM
1x
9,34 €
177
Husqvarna 532 19 52-28 - BUCHSE
1x
9,62 €
178
Husqvarna 532 19 74-56 - FEDER
1x
4,09 €
180
Husqvarna 532 41 50-63 - RAHMEN
1x
340,41 €
182
Husqvarna 532 40 71-76 - ARMATURENBRETT
1x
110,22 €
183
Husqvarna 532 13 70-57 - HUELSE
1x
7,27 €
184
Husqvarna 587 55 41-01 - STOPFEN
1x
3,09 €
184
Husqvarna 532 41 14-84 - GRIFF
1x
7,07 €
185
Husqvarna 872 11 06-22 - BOLZEN
1x
5,31 €
186
Husqvarna 532 19 43-21 - ABSTANDSSTÜCK
1x
10,59 €
188
Husqvarna 532 19 51-61 - BOLZEN
1x
7,88 €
188
Husqvarna 582 21 70-01 - Gelenk
1x
8,54 €
189
Husqvarna 532 19 43-17 - PLATTE
1x
10,36 €
190
Husqvarna 532 19 43-18 - RIEMENFÜHRUNG
1x
6,31 €
192
Husqvarna 532 15 03-60 - MUTTER
1x
4,90 €
195
Husqvarna 817 00 06-12 - SCHRAUBE
1x
3,89 €
195
Husqvarna 532 19 73-32 - HALTER
1x
7,35 €
196
Husqvarna 547 63 47-01 - Befestigung
1x
20,86 €
202
Husqvarna 532 44 13-42 - Deckel
1x
19,11 €
202
Husqvarna 597 07 94-01 - Gelenk
1x
7,90 €
204
Husqvarna 532 44 13-75 - Deckel
1x
30,79 €
205
Husqvarna 532 44 13-44 - Gummischutz
1x
20,90 €
205
Husqvarna 532 12 17-48 - SCHEIBE
1x
4,00 €
206
Husqvarna 532 44 13-45 - Gummischutz
1x
20,93 €
214
Husqvarna 532 19 91-45 - Klammer
1x
4,90 €
217
Husqvarna 532 40 91-67 - STANGE
1x
15,65 €
218
Husqvarna 532 19 63-95 - PLATTE
1x
10,17 €
221
Husqvarna 532 40 31-87 - FEDER
1x
2,62 €
228
Husqvarna 532 19 51-61 - BOLZEN
1x
7,88 €
236
Husqvarna 873 93 05-00 - MUTTER
1x
4,90 €
239
Husqvarna 532 40 48-83 - KLAMMER
1x
4,90 €
241
Husqvarna 532 15 29-27 - SCHRAUBE
1x
1,94 €
242
Husqvarna 532 41 55-98 - SCHLAUCHANSCHLUSS
1x
4,59 €
243
Husqvarna 532 40 65-10 - DECKEL
1x
69,90 €
249
Husqvarna 532 40 65-14 - DECKEL
1x
33,51 €
251
Husqvarna 532 43 60-87 - ELASTIC STRAP
1x
4,21 €
253
Husqvarna 532 42 73-50 - SCHRAUBE
1x
1,67 €
263
Husqvarna 817 00 06-12 - SCHRAUBE
1x
3,89 €
287
Husqvarna 817 60 04-06 - SCHRAUBE
1x
4,90 €
297
Husqvarna 532 40 66-65 - EINSATZ LINKS
1x
7,13 €
307
Husqvarna 587 49 46-01 - SCHIRM
1x
24,50 €
308
Husqvarna 532 17 18-77 - Bolzen
1x
3,34 €
375
Husqvarna 586 90 82-01 - Stossfänger
1x
4,70 €
377
Husqvarna 589 45 53-01 - Schraube
1x
4,90 €
532194346
Husqvarna 532 19 43-46 - RIEMEN
1x
55,12 €
532408381
Husqvarna 532 40 83-81 - RIEMEN
1x
57,17 €
590970601
Husqvarna 590 97 06-01 - SERVICE KIT
1x
18,97 €
591165801
Husqvarna 591 16 58-01 - FILTER
1x
12,19 €

Produktbewertungen unserer Kunden
Unsere Bewertungen sind zu 100% echt.
Bewertungen von Kunden, die ihre Ware nicht bei uns gekauft haben, werden entsprechend gekennzeichnet.
Bewertungen mit diesem Symbol stammen von verifizierten Käufern!
Zu diesem Produkt gibt es noch keine Kundenbewertungen.
Sie können die erste Person sein, die zu diesem Produkt eine Bewertung schreibt.